GM Service Manual Online
For 1990-2009 cars only
Makes
🢒
Chevrolet
🢒
2002
🢒
Chevy C Silverado - 2WD
🢒 Except Luxury
Except Luxury
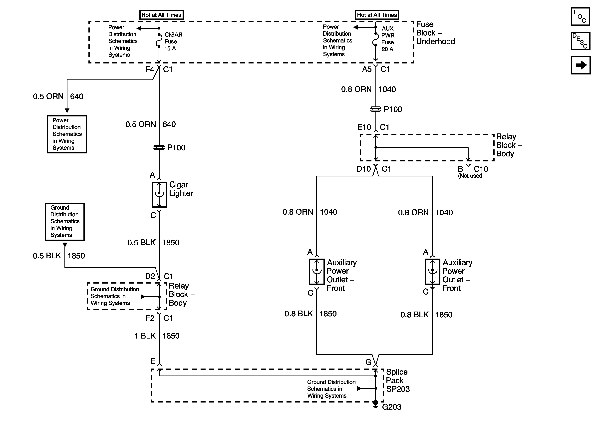
Cigar Lighter/Auxiliary Power Schematics - Except Sierra Denali
Master Electrical Component List
Luxury Only
AIR, RTD, RADIO, RDO AMP, ECM B, FRT HVAC, and CIGAR Fuses
AUX PWR and HORN Fuses
AIR, RTD, RADIO, RDO AMP, ECM B, FRT HVAC, and CIGAR Fuses
G203 - 2 of 3 - Uplevel and Crew Cab
G203 - 2 of 3 - Uplevel and Crew Cab
G203 - 1 of 3