GM Service Manual Online
For 1990-2009 cars only
Makes
🢒
Chevrolet
🢒
2002
🢒
Chevy C Silverado - 2WD
🢒 Valve Controls and Brake Switch
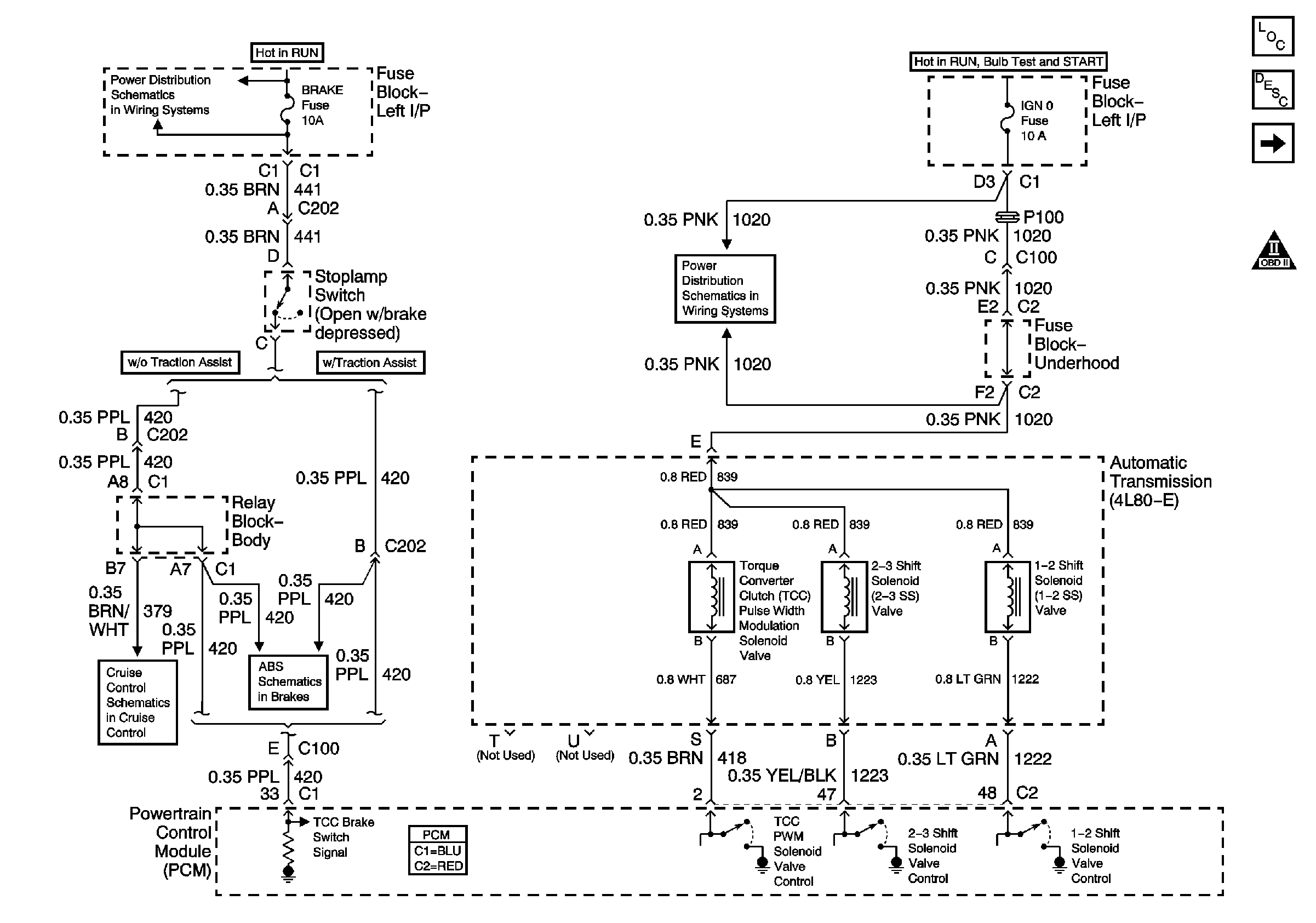
Valve Controls and Brake Switch
Valve Controls and Brake Switch
Master Electrical Component List
Automatic Transmission Electrical Connector Description
Switch Inputs
OBD II Symbol Description Notice
BRAKE, Cruise, HTR A/C, RR WPR, WS WPR, and SEO ACCY Fuses
IGN 1, TURN, SEO IGN, AIR BAG, CRANK, and IGN 0 Fuses
Cruise Control Module , Clutch Start Switch, and Stop Lamp Switch - Gas w/o ETC
Power, Ground, Class 2 Communication (w/o Traction Assist)