GM Service Manual Online
For 1990-2009 cars only
Makes
🢒
Chevrolet
🢒
2002
🢒
Chevy C Silverado - 2WD
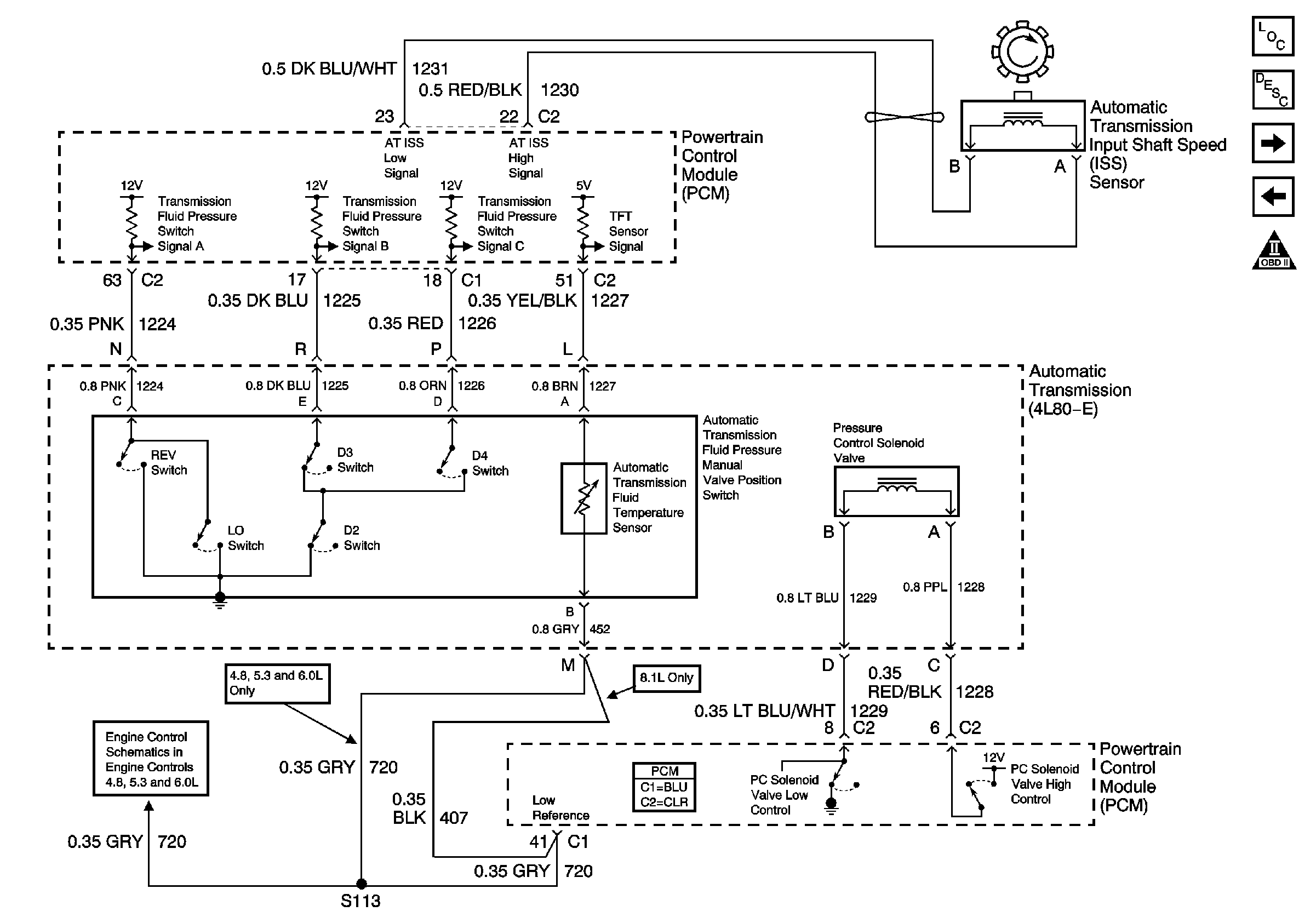
🢒 Switch Inputs
Switch Inputs
Switch Inputs
Master Electrical Component List
Automatic Transmission Electrical Connector Description
Tow/Haul and PNP Switch Inputs
Valve Controls and Brake Switch
OBD II Symbol Description Notice
Engine Data Sensors - Pressure and Temperature