GM Service Manual Online
For 1990-2009 cars only
Makes
🢒
Chevrolet
🢒
2002
🢒
Chevy C Silverado - 2WD
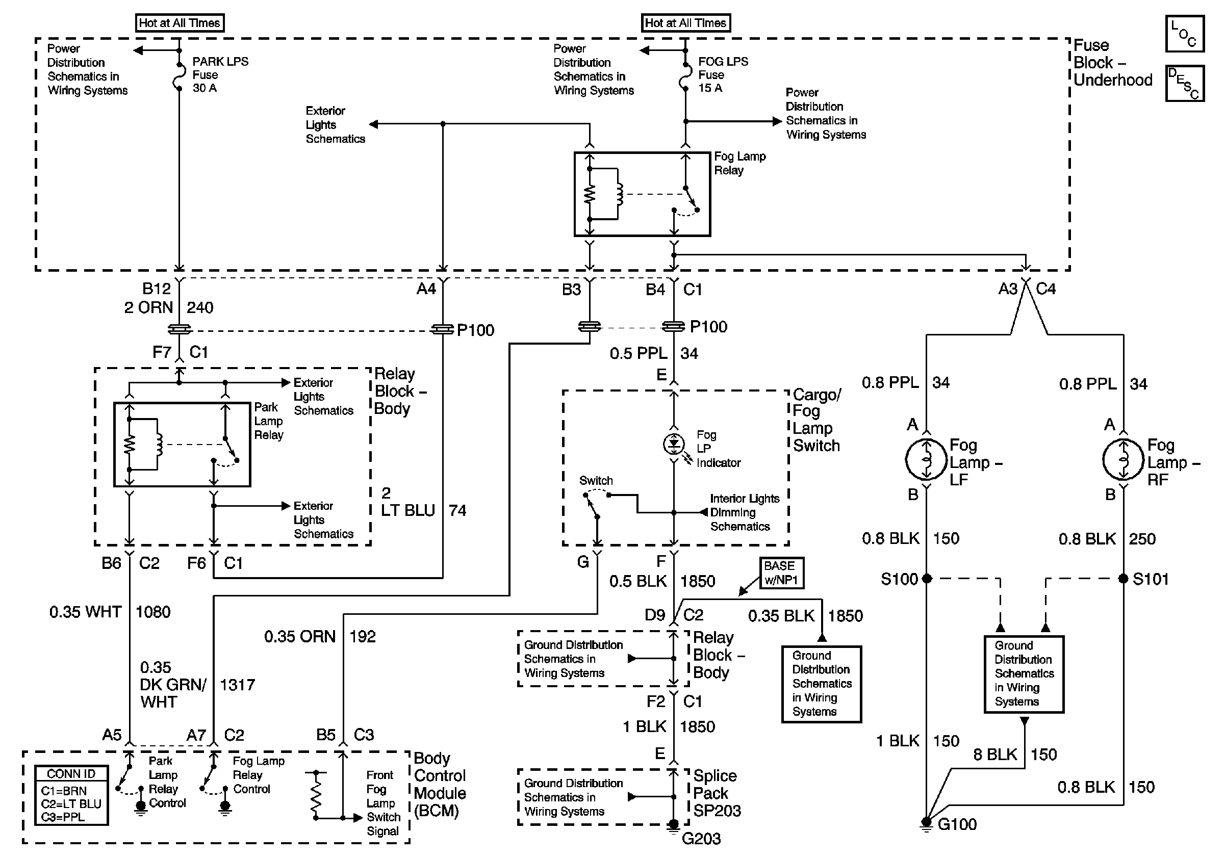
🢒 02 GMT800 Fog Lamps Schematics
02 GMT800 Fog Lamps Schematics
Master Electrical Component List
Exterior Lighting Systems Description and Operation
ABS, HAZ LP, STUD 1, HTD MIR, RR DEFOG, STUD 2, CTSY LP, and PARK LP Fuses
Park Lamp Control
TBC, FOG LP, LT HDLP, and RT HDLP Fuses
TBC, FOG LP, LT HDLP, and RT HDLP Fuses
Park Lamp Control
Park Lamp Control
Cargo/Fog Lamp Switch, DIC, and Steering Wheel Controls
Inflatable Restraint Steering Wheel Module Coil and Front End Discriminating Sensors
G203 - 1 of 3
G203 - 2 of 3 - Base Except Crew Cab
G100 and G110