GM Service Manual Online
For 1990-2009 cars only
Makes
🢒
Chevrolet
🢒
2002
🢒
Chevy C Silverado - 2WD
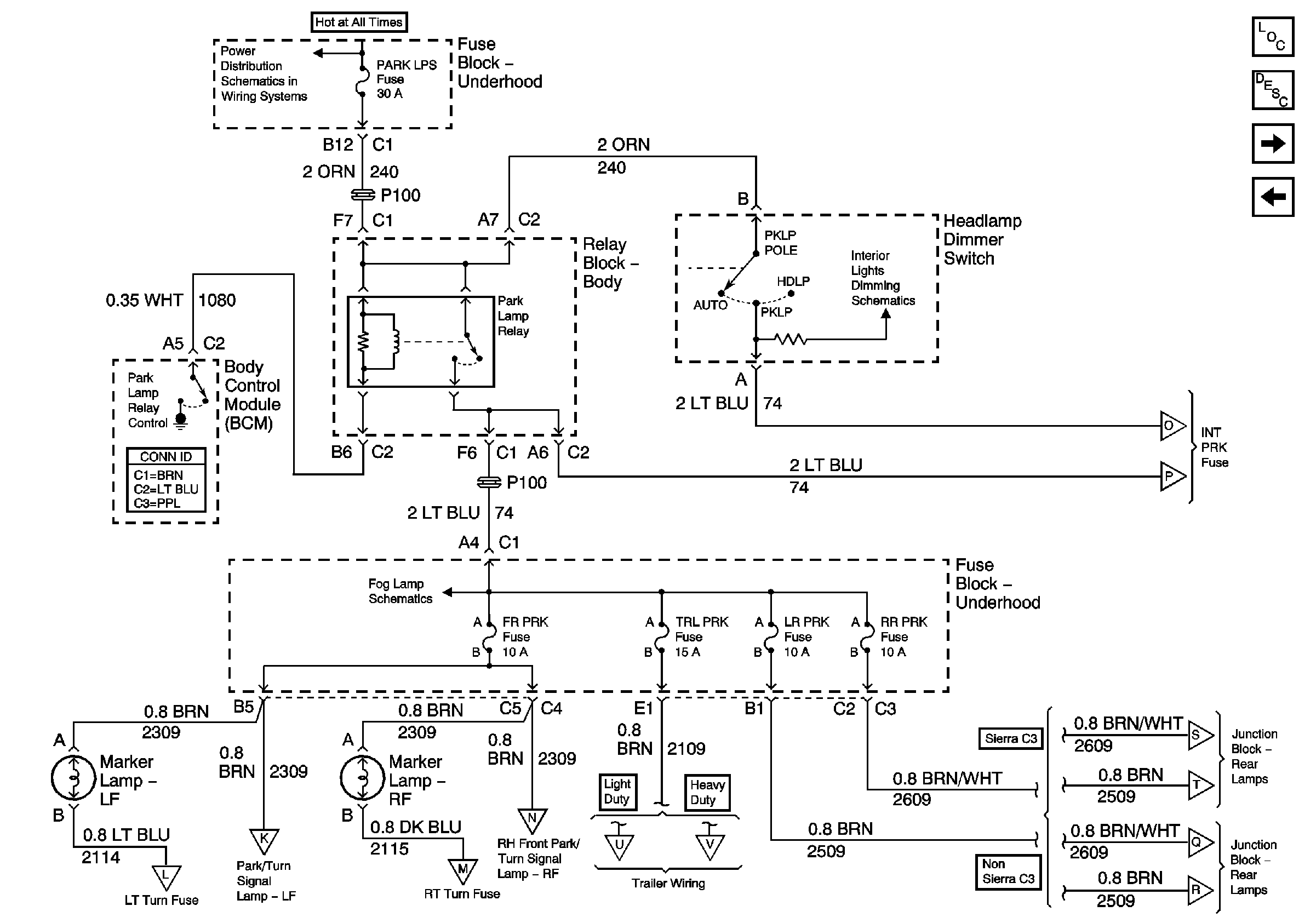
🢒 Park Lamp Control
Park Lamp Control
Park Lamp Control
Master Electrical Component List
Exterior Lighting Systems Description and Operation
Park Lamp Supply and Clearance Lamps
Park/Turn Signal Lamps
ABS, HAZ LP, STUD 1, HTD MIR, RR DEFOG, STUD 2, CTSY LP, and PARK LP Fuses
PARK LPS Fuse, Headlamp Switch and BCM
02 GMT800 Fog Lamps Schematics
Park Lamp Supply and Clearance Lamps
Park Lamp Supply and Clearance Lamps
Park/Turn Signal Lamps
Park/Turn Signal Lamps
Park/Turn Signal Lamps
Park/Turn Signal Lamps
CHMSL and Light Duty Trailer Wiring
Heavy Duty Trailer Wiring
Rear Lamps - Sierra Denali
Rear Lamps - Sierra Denali
Rear Lamps - Except Sierra Denali
Rear Lamps - Except Sierra Denali