GM Service Manual Online
For 1990-2009 cars only
Makes
🢒
Chevrolet
🢒
2002
🢒
Chevy C Silverado - 2WD
🢒 Emergency Lights w/TRW
Emergency Lights w/TRW
Emergency Lights w/TRW
Master Electrical Component List
Exterior Lighting Systems Description and Operation
Emergency Lights w/5X7
Exterior Illumination Control
SEO 1, SEO 2, RR HVAC, EXP LPS, ATC, and RR WPR
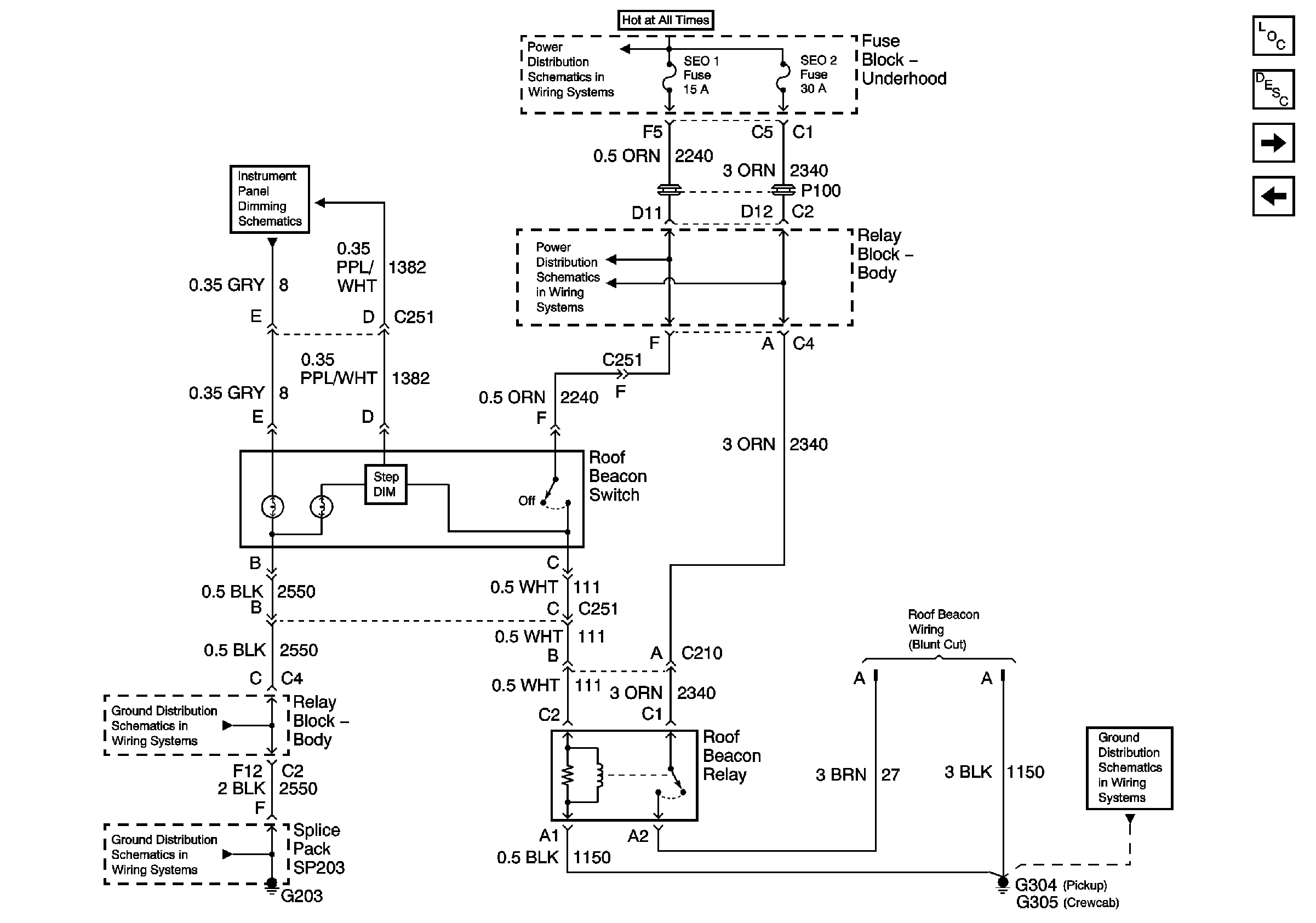
Selectable Ride/Roof Beacon Switch
SEO 1, SEO 2, RR HVAC, EXP LPS, ATC, and RR WPR
G203 - 1 of 3
G203 - 1 of 3
G304