GM Service Manual Online
For 1990-2009 cars only
Makes
🢒
Chevrolet
🢒
2002
🢒
Chevy C Silverado - 2WD
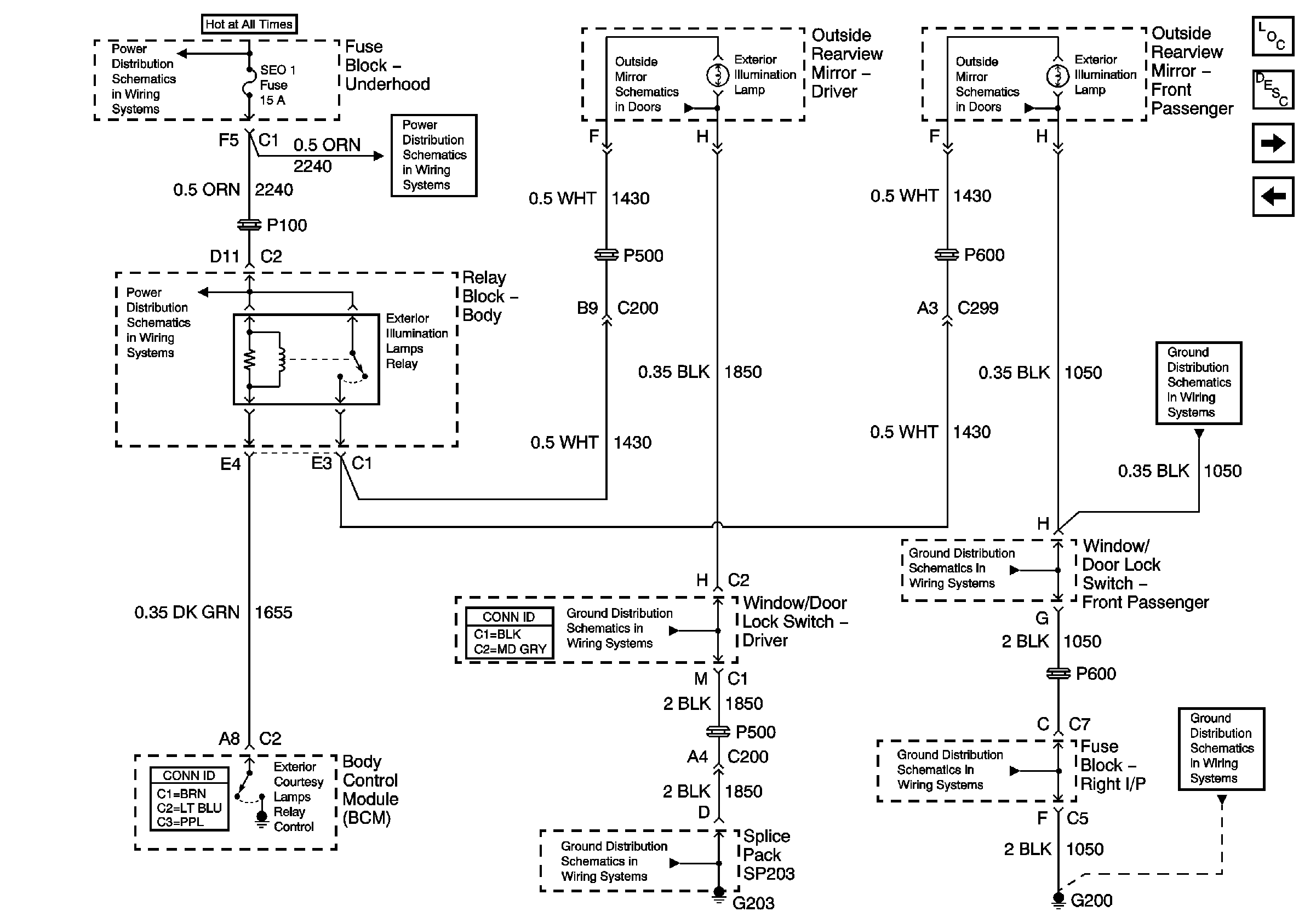
🢒 Exterior Illumination Control
Exterior Illumination Control
Exterior Illumination Control
Master Electrical Component List
Exterior Lighting Systems Description and Operation
Emergency Lights w/TRW
Heavy Duty Trailer Wiring
SEO 1, SEO 2, RR HVAC, EXP LPS, ATC, and RR WPR
Heated Mirror Controls
Heated Mirror Controls
SEO 1, SEO 2, RR HVAC, EXP LPS, ATC, and RR WPR
SEO 1, SEO 2, RR HVAC, EXP LPS, ATC, and RR WPR
G200
G203 - 1 of 3
G203 - 1 of 3
G200
G200
G200