GM Service Manual Online
For 1990-2009 cars only
Makes
🢒
Chevrolet
🢒
2002
🢒
Chevy C Silverado - 2WD
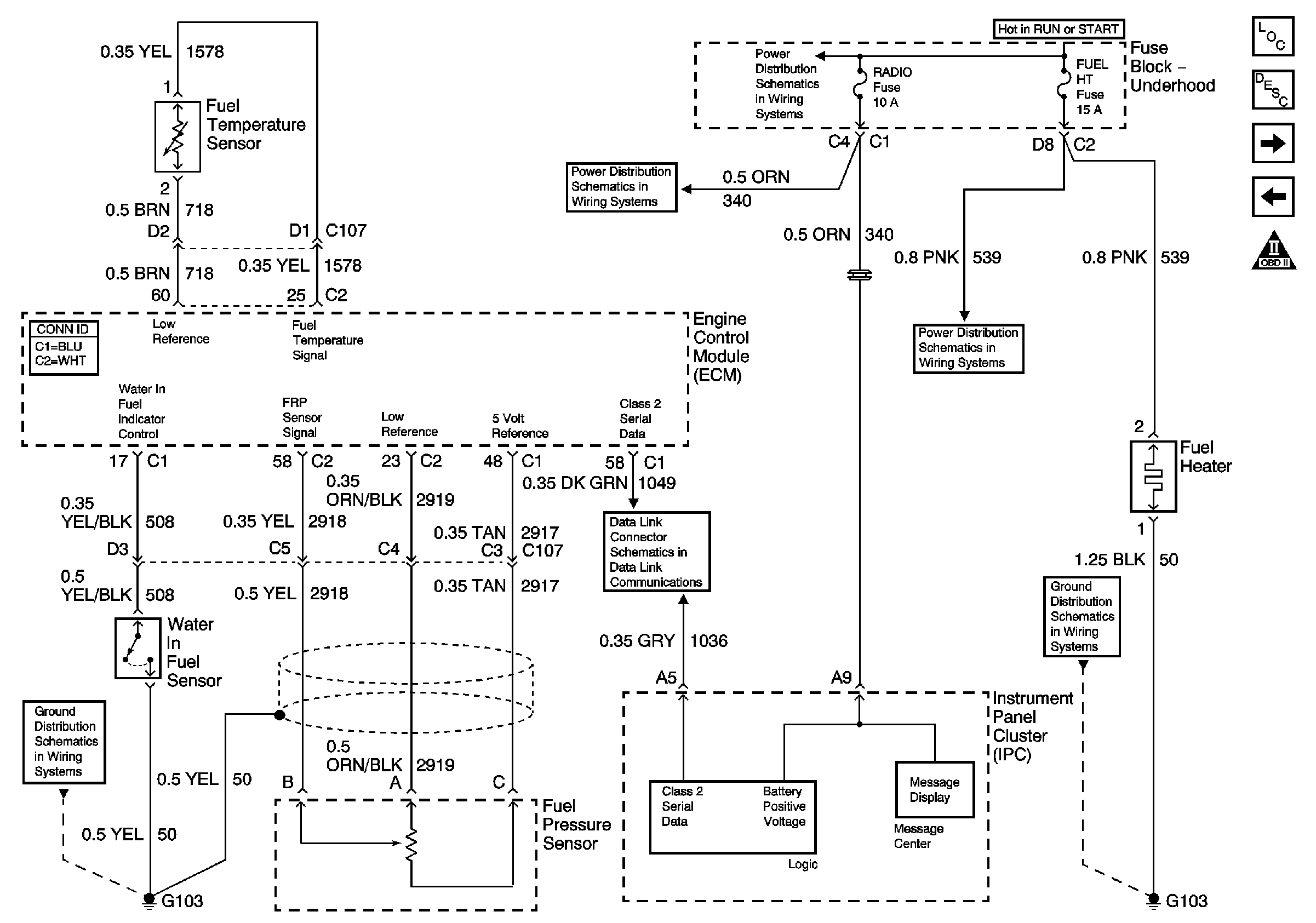
🢒 Fuel Controls - Water In Fuel, Fuel Temperature, and Pressure
Fuel Controls - Water In Fuel, Fuel Temperature, and Pressure
Fuel Controls - Water in Fuel, Fuel Temperature, and Fuel Pressure Sensors
Master Electrical Component List
Engine Control Module Description
Fuel Controls - Injector and Pressure Controls
Fuel Controls - Fuel Pump Controls
OBD II Symbol Description Notice
AIR, RTD, RADIO, RDO AMP, ECM B, FRT HVAC, and CIGAR Fuses
B+ Bus Bar
Splice Pack SP205
ECM I, FUEL HT, ENG 1, IGN E, ECMRPV, and INJ B