GM Service Manual Online
For 1990-2009 cars only
Makes
🢒
Chevrolet
🢒
2002
🢒
Chevy C Silverado - 2WD
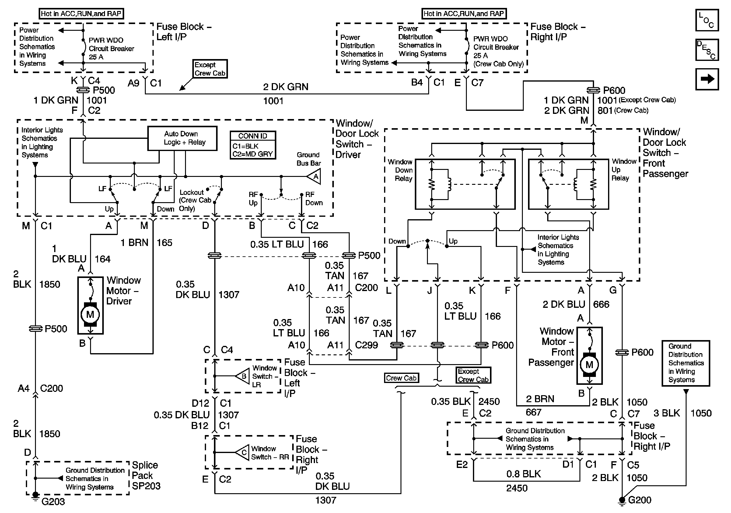
🢒 Driver and Front Passenger Window and Motor Controls
Driver and Front Passenger Window and Motor Controls
Power, Ground, and Driver/Front Passenger Motor Controls
Master Electrical Component List
Power Windows Description and Operation
Window and Motor Controls (LR)
Ignition, Run, Accessory, and RAP Bus Bars - RAP#1 and RAP#2 Fuses
Ignition, Run, Accessory, and RAP Bus Bars - RAP#1 and RAP#2 Fuses
Parklamp Controls - 1 of 3
Window and Motor Controls (LR)
Parklamp Controls - 2 of 3
Window and Motor Controls (LR)
Window and Motor Controls (RR)
G203 - 1 of 3
G200
G200