GM Service Manual Online
For 1990-2009 cars only
Makes
🢒
Chevrolet
🢒
2002
🢒
Chevy C Silverado - 2WD
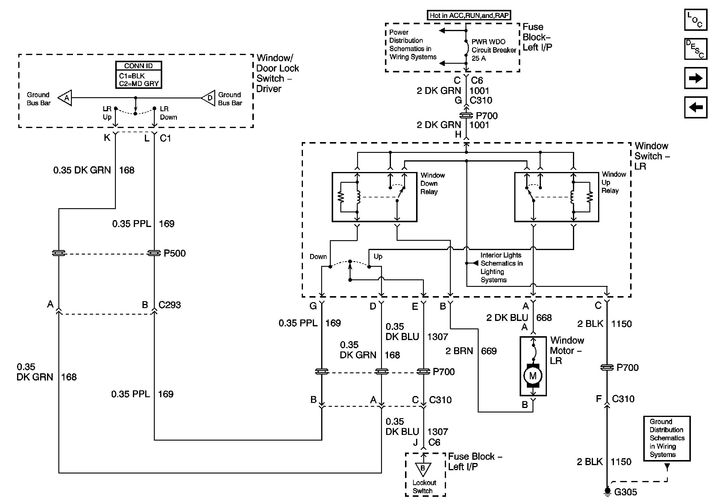
🢒 Window and Motor Controls (LR)
Window and Motor Controls (LR)
LR Motor Controls - Crewcab Only
Master Electrical Component List
Power Windows Description and Operation
Window and Motor Controls (RR)
Driver and Front Passenger Window and Motor Controls
Driver and Front Passenger Window and Motor Controls
Window and Motor Controls (RR)
Parklamp Controls - 2 of 3
Driver and Front Passenger Window and Motor Controls
G305 and G306