GM Service Manual Online
For 1990-2009 cars only
Makes
🢒
Chevrolet
🢒
2002
🢒
Chevy C Silverado - 2WD
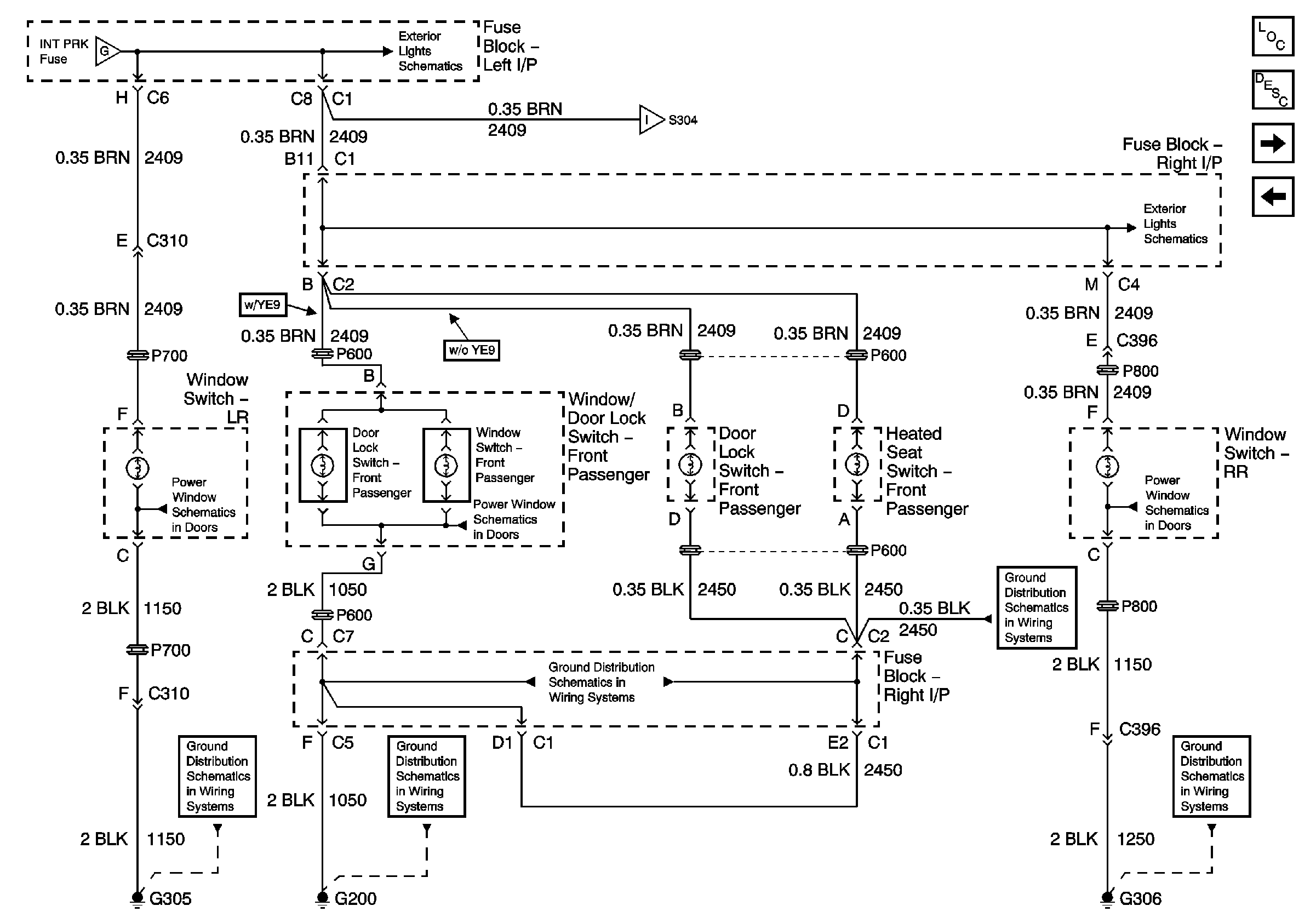
🢒 Parklamp Controls - 2 of 3
Parklamp Controls - 2 of 3
Park Lamp Control - 2 of 3
Master Electrical Component List
Interior Lighting Systems Description and Operation
Parklamp Controls - 3 of 3
Parklamp Controls - 1 of 3
Parklamp Controls - 1 of 3
Parklamp Controls - 3 of 3
Park Lamp Supply and Clearance Lamps
Window and Motor Controls (LR)
Window Switch Controls
Window and Motor Controls (RR)
G200
G200
G305 and G306
G200
G305 and G306