GM Service Manual Online
For 1990-2009 cars only
Makes
🢒
Chevrolet
🢒
2002
🢒
Chevy C Silverado - 2WD
🢒 Starting w/o Dual Generator
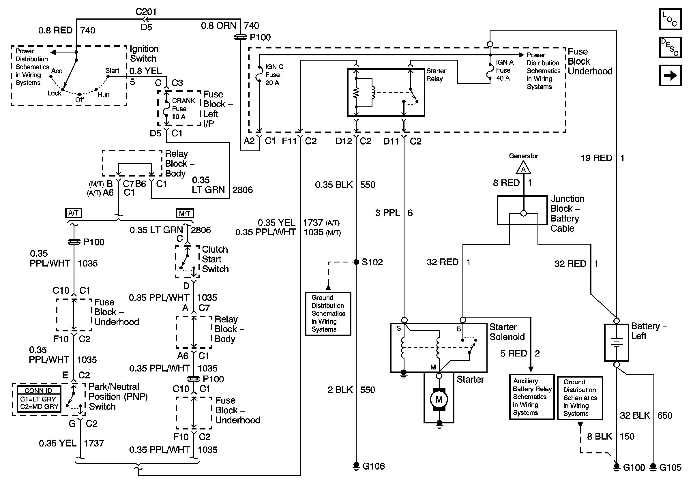
Starting w/o Dual Generator
Starting w/o Dual Generator
Master Electrical Component List
Starting System Description and Operation
Charging w/o Dual Generator
Ignition, Run, and Start Bus Bar
G104 - Gas
Ignition, Run, and Start Bus Bar
Charging w/o Dual Generator
02 GMT800 G100, G105, G106, G104 , Auxiliary Battery Relay
G100 and G110