GM Service Manual Online
For 1990-2009 cars only
Makes
🢒
Chevrolet
🢒
2002
🢒
Chevy C Silverado - 2WD
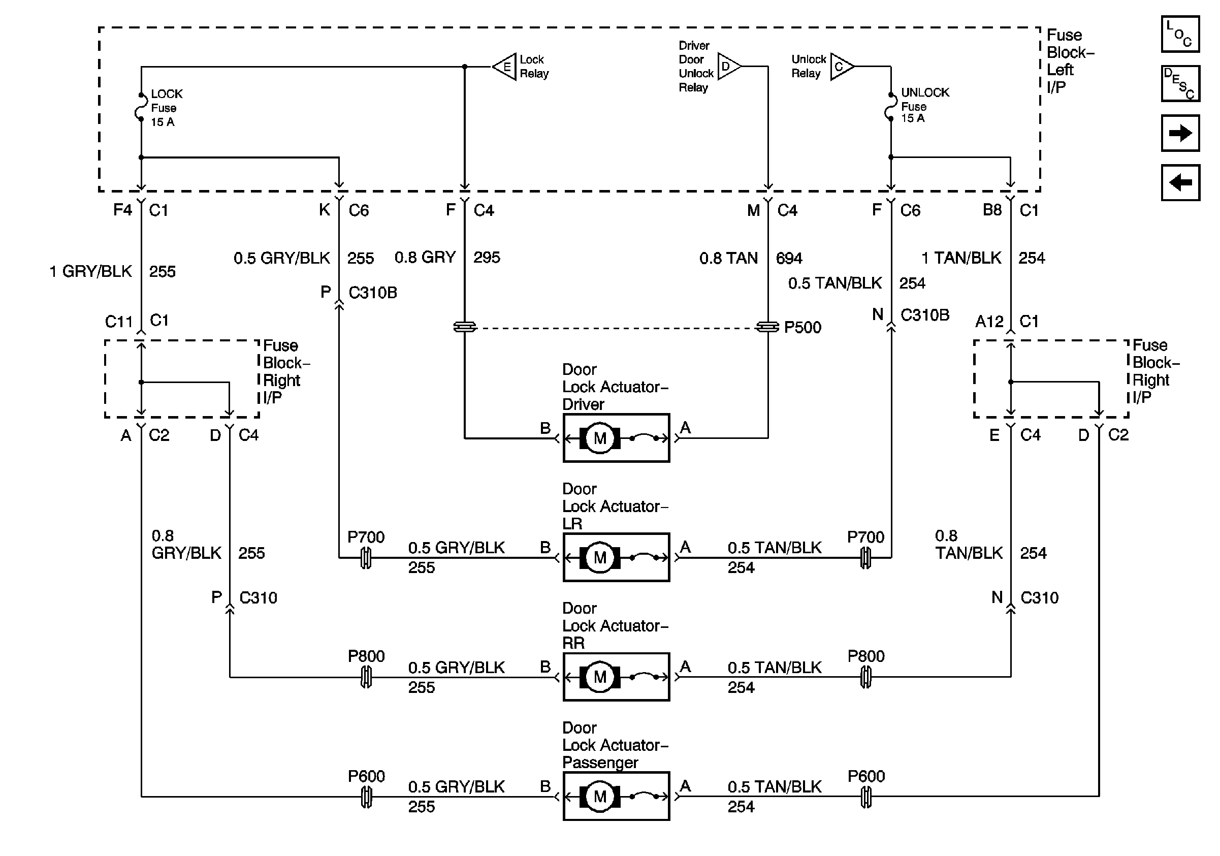
🢒 Actuators - Uplevel Crew Cab
Actuators - Uplevel Crew Cab
Actuators - Uplevel Crew Cab
Master Electrical Component List
Power Door Locks Description and Operation
BCM Controls - All
Power, Ground, and Switches - Uplevel Crew Cab
Power, Ground, and Switches - Uplevel Crew Cab
Power, Ground, and Switches - Uplevel Crew Cab
Power, Ground, and Switches - Uplevel Crew Cab