GM Service Manual Online
For 1990-2009 cars only
Makes
🢒
Chevrolet
🢒
2002
🢒
Chevy C Silverado - 2WD
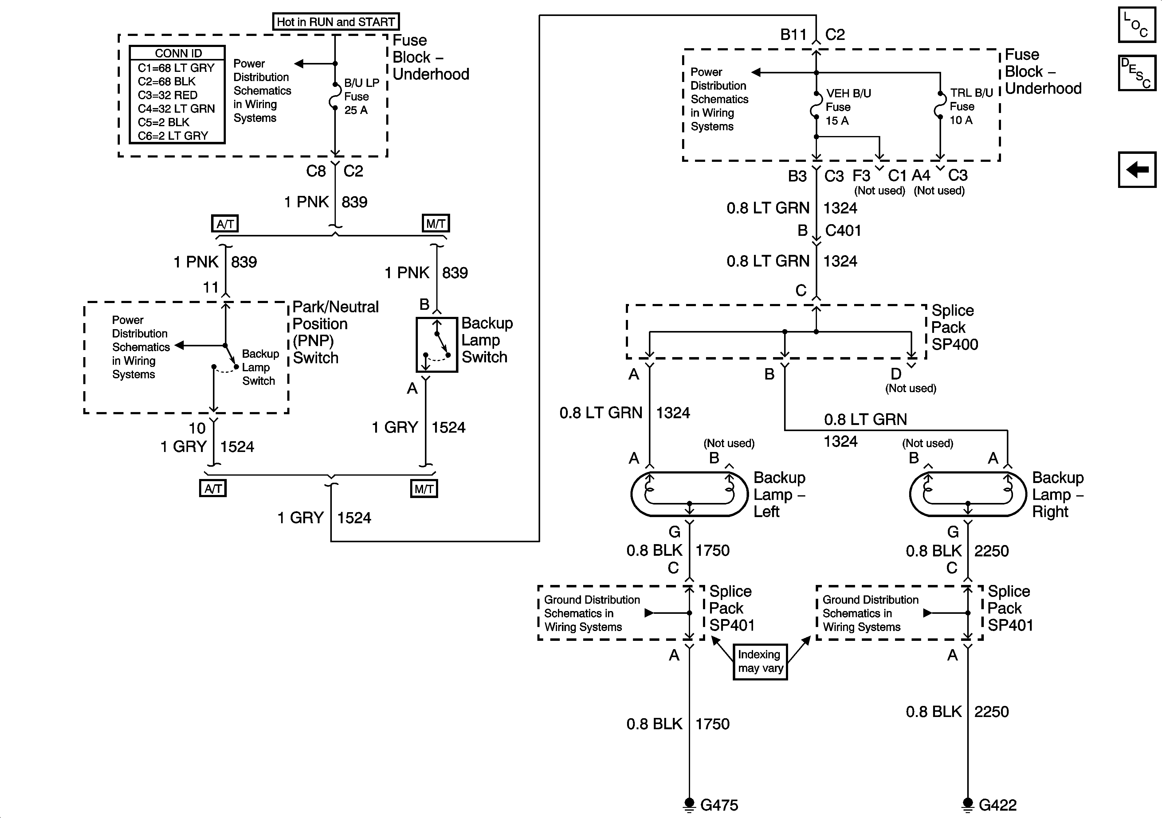
🢒 Backup Lamps - Pickup
Backup Lamps - Pickup
Backup Lamps - Pickup
Master Electrical Component List
Exterior Lighting Systems Description and Operation
Backup Lamps - Utility
Ign RUN and START Bus Bar
B/U LP, TRL B/U, VEH B/U, and BTSI Fuses (Automatic Transmission)
Fuel Controls: Fuel Solenoid, Water in Fuel and Temperature Sensors
G402, G422 and G475 (Fleetside Pickup)
G402, G422 and G475 (Fleetside Pickup)