GM Service Manual Online
For 1990-2009 cars only
Makes
🢒
Chevrolet
🢒
2002
🢒
Chevy C Silverado - 2WD
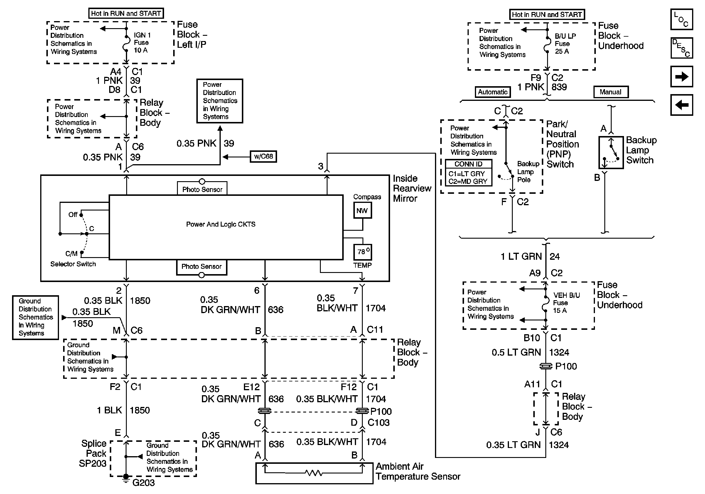
🢒 w/Compass and Outside Temp
w/Compass and Outside Temp
w/Compass and Outside Temp
Master Electrical Component List
Inside Rearview Mirror Description and Operation
w/ Compass, Outside Temp, and Electrochromic
w/Compass, Outside Temp, and Electrochromic
IGN 1, TURN, SEO IGN, AIR BAG, CRANK, and IGN 0 Fuses
B/U LAMP, BTSI, VEH B/U and TRL B/U Fuses
AUX PWR and HORN Fuses
AUX PWR and HORN Fuses
B/U LAMP, BTSI, VEH B/U and TRL B/U Fuses
B/U LAMP, BTSI, VEH B/U and TRL B/U Fuses
G203 - 2 of 3 - Uplevel and Crew Cab
G203 - 2 of 3 - Uplevel and Crew Cab
G203 - 1 of 3