GM Service Manual Online
For 1990-2009 cars only
Makes
🢒
Chevrolet
🢒
2002
🢒
Chevy C Silverado - 2WD
🢒 w/ Compass, Outside Temp, and Electrochromic
w/ Compass, Outside Temp, and Electrochromic
w/ Compass, Outside Temp, and Electrochromic
Master Electrical Component List
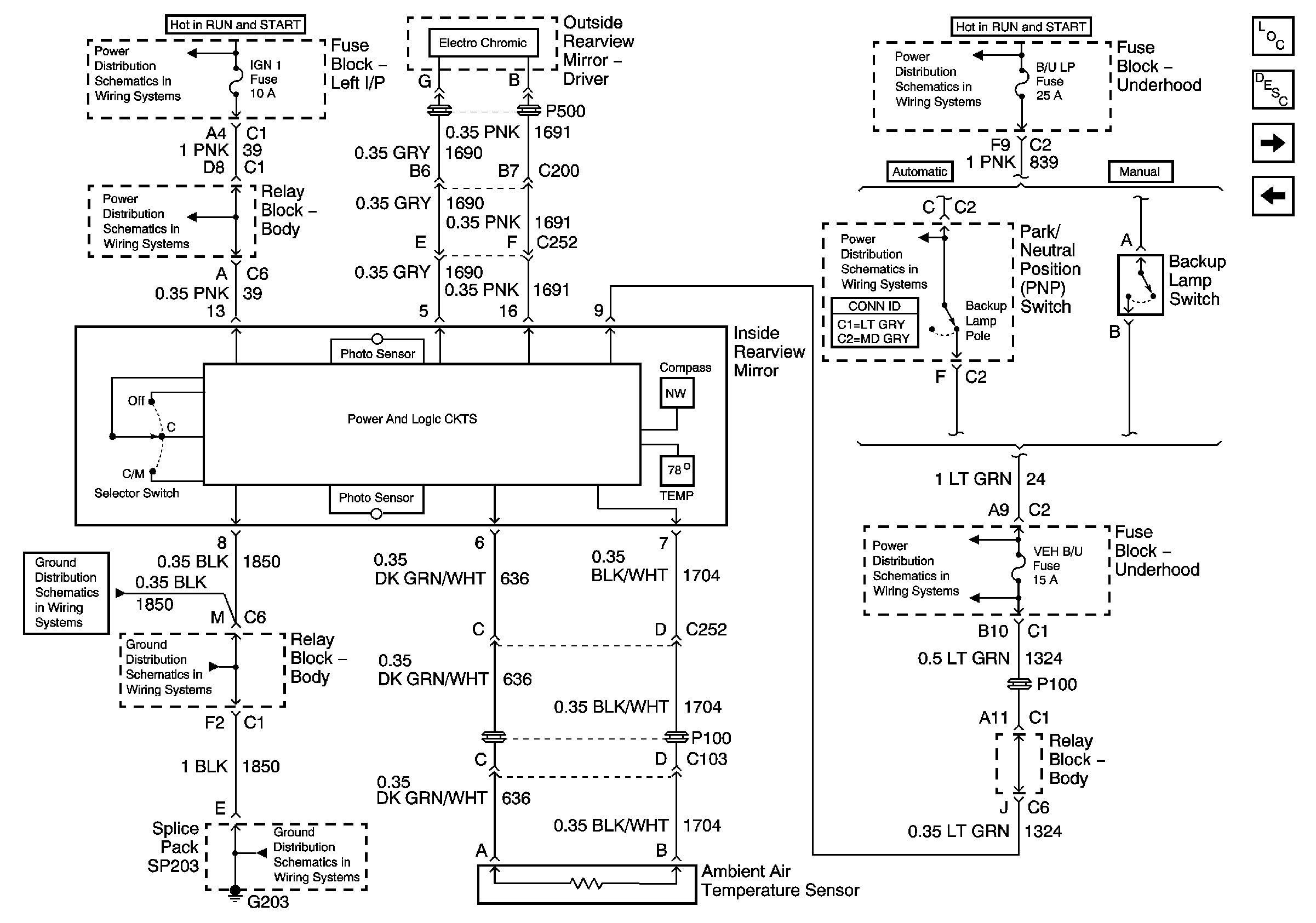
Inside Rearview Mirror Description and Operation
w/Compass, Outside Temp, and Onstar
w/Compass and Outside Temp
IGN 1, TURN, SEO IGN, AIR BAG, CRANK, and IGN 0 Fuses
AUX PWR and HORN Fuses
B/U LAMP, BTSI, VEH B/U and TRL B/U Fuses
B/U LAMP, BTSI, VEH B/U and TRL B/U Fuses
G203 - 2 of 3 - Uplevel and Crew Cab
G203 - 2 of 3 - Uplevel and Crew Cab
B/U LAMP, BTSI, VEH B/U and TRL B/U Fuses
G203 - 1 of 3