GM Service Manual Online
For 1990-2009 cars only
Makes
🢒
Chevrolet
🢒
2003
🢒
Chevy C Silverado - 2WD
🢒
Driveline/Axle
🢒
Transfer Case - NVG 263-NP1
🢒 Transfer Case Control Schematics
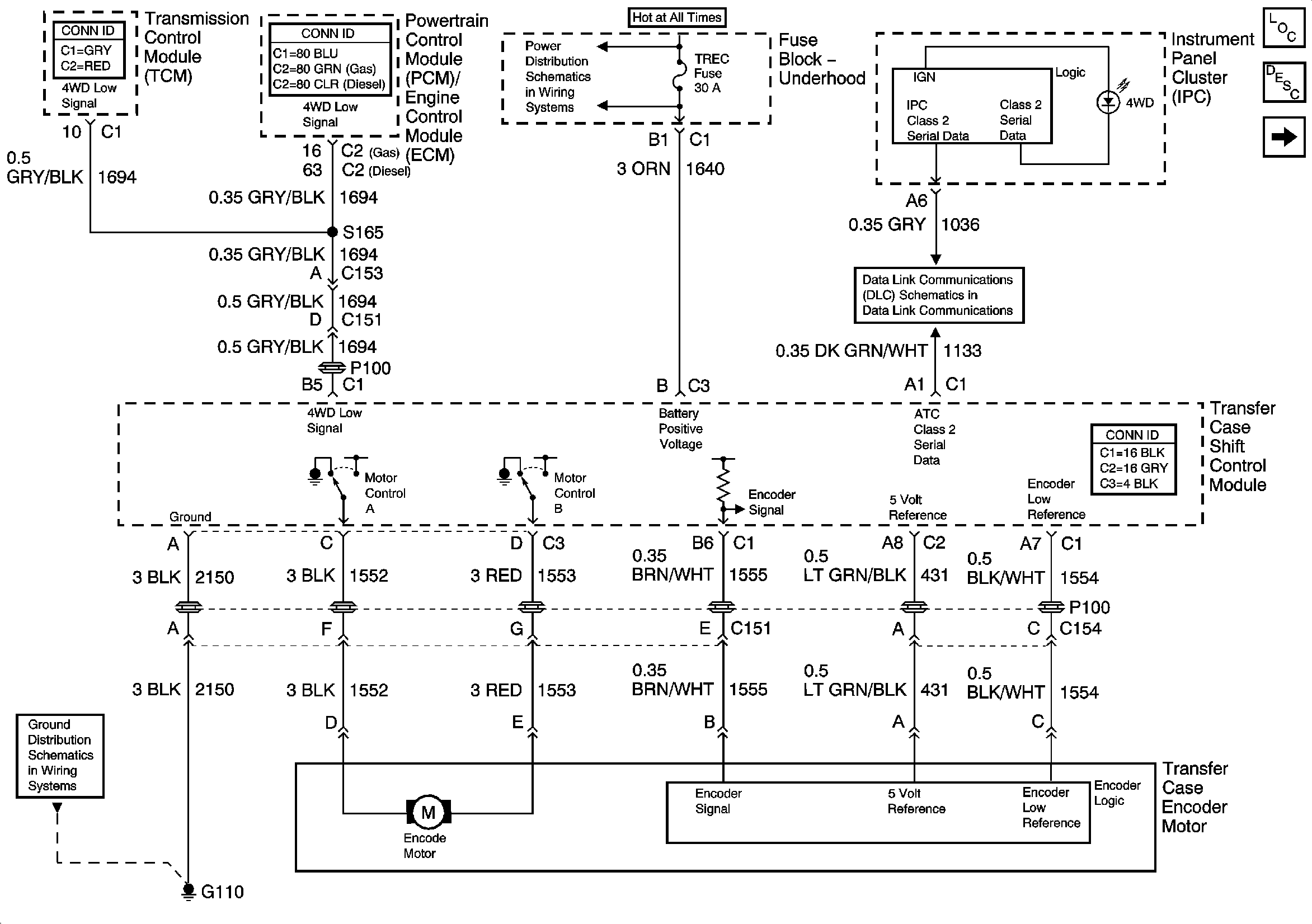
Figure
1:
Power, Ground, Class 2, and Transfer Case Encoder Motor
Master Electrical Component List
Transfer Case Description and Operation
Front Axle Actuator Control)
HVAC B, RR HVAC, BLOWER, RR DEFOG, STOP LP, TREC
SP205 - 1 of 2
G110
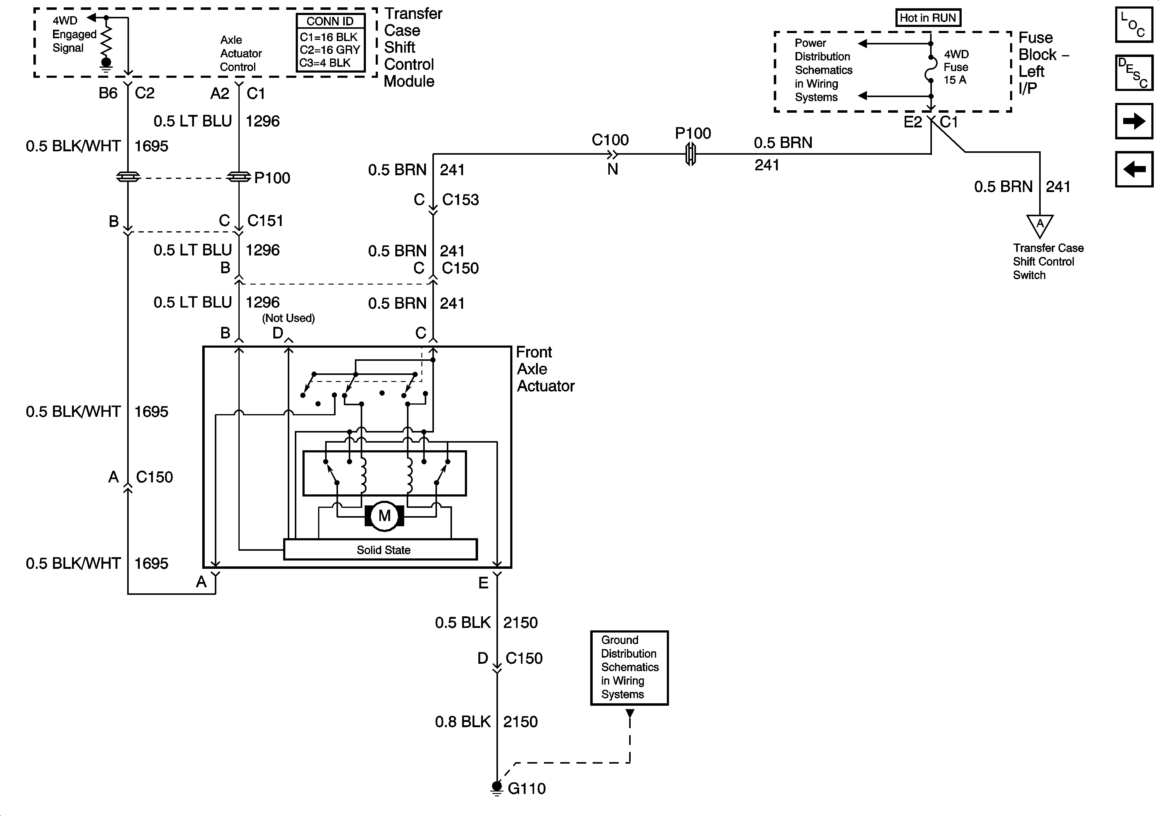
Figure
2:
Front Axle Actuator Control
Master Electrical Component List
Transfer Case Description and Operation
Shift Control Switch Inputs)
Power, Ground, Class 2, and Transfer Case Encoder Motor
Shift Control Switch Inputs)
G110
IGN 3, CRUISE, 4WD
Figure
3:
Shift Control Switch Inputs
Master Electrical Component List
Transfer Case Description and Operation
Front Axle Actuator Control)
LED Dimming Supply Voltage - 2 of 3
Front Axle Actuator Control)
G203-2 of 3
G203-2 of 3
G203-1 of 3