GM Service Manual Online
For 1990-2009 cars only
Makes
🢒
Chevrolet
🢒
2003
🢒
Chevy C Silverado - 2WD
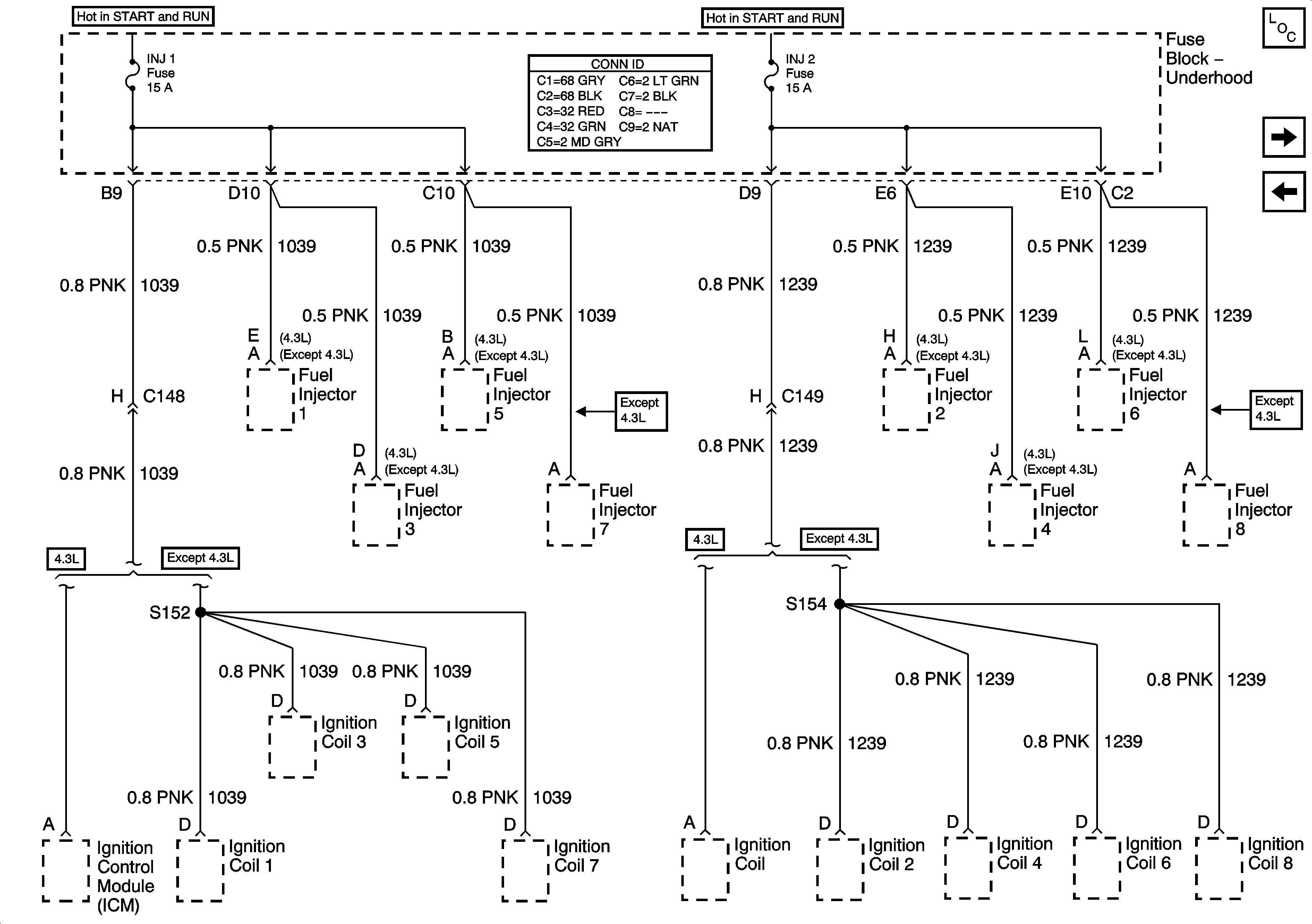
🢒 INJ 1, INJ 2 - Gas Only
INJ 1, INJ 2 - Gas Only
INJ 1, INJ 2 - Gas Except 8.1L
Master Electrical Component List
INJ 1, INJ 2-8.1L Only
SBA, ETC, PCM 1, BTSI, TRL B/U