GM Service Manual Online
For 1990-2009 cars only
Makes
🢒
Chevrolet
🢒
2003
🢒
Chevy C Silverado - 2WD
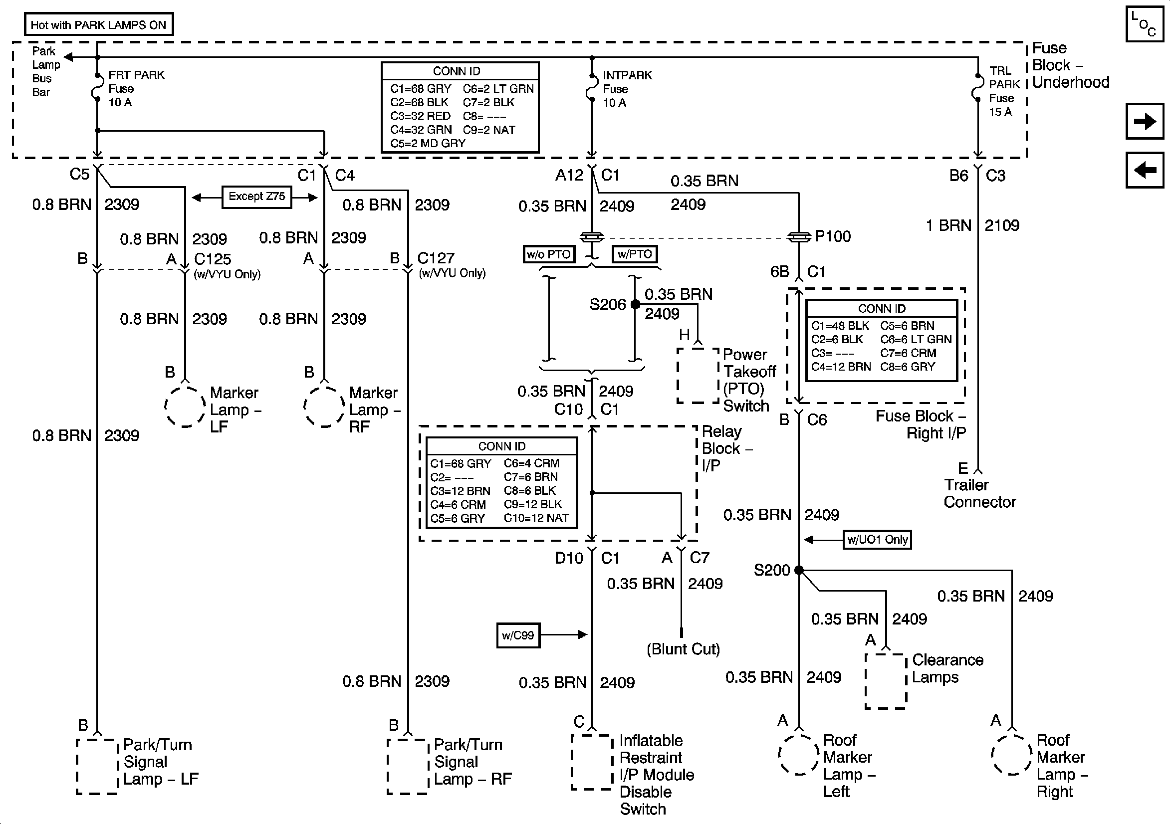
🢒 FRT PARK, INTR PARK, TRL PARK - Domestic
FRT PARK, INTR PARK, TRL PARK - Domestic
FRT PARK, INTPARK, TRL PARK - Domestic
Master Electrical Component List
FRT PARK, DRL, TRL PARK, INT PARK - Export
LR PARK, RR PARK
B+ Bus Bar - 3 of 3