GM Service Manual Online
For 1990-2009 cars only
Makes
🢒
Chevrolet
🢒
2003
🢒
Chevy C Silverado - 2WD
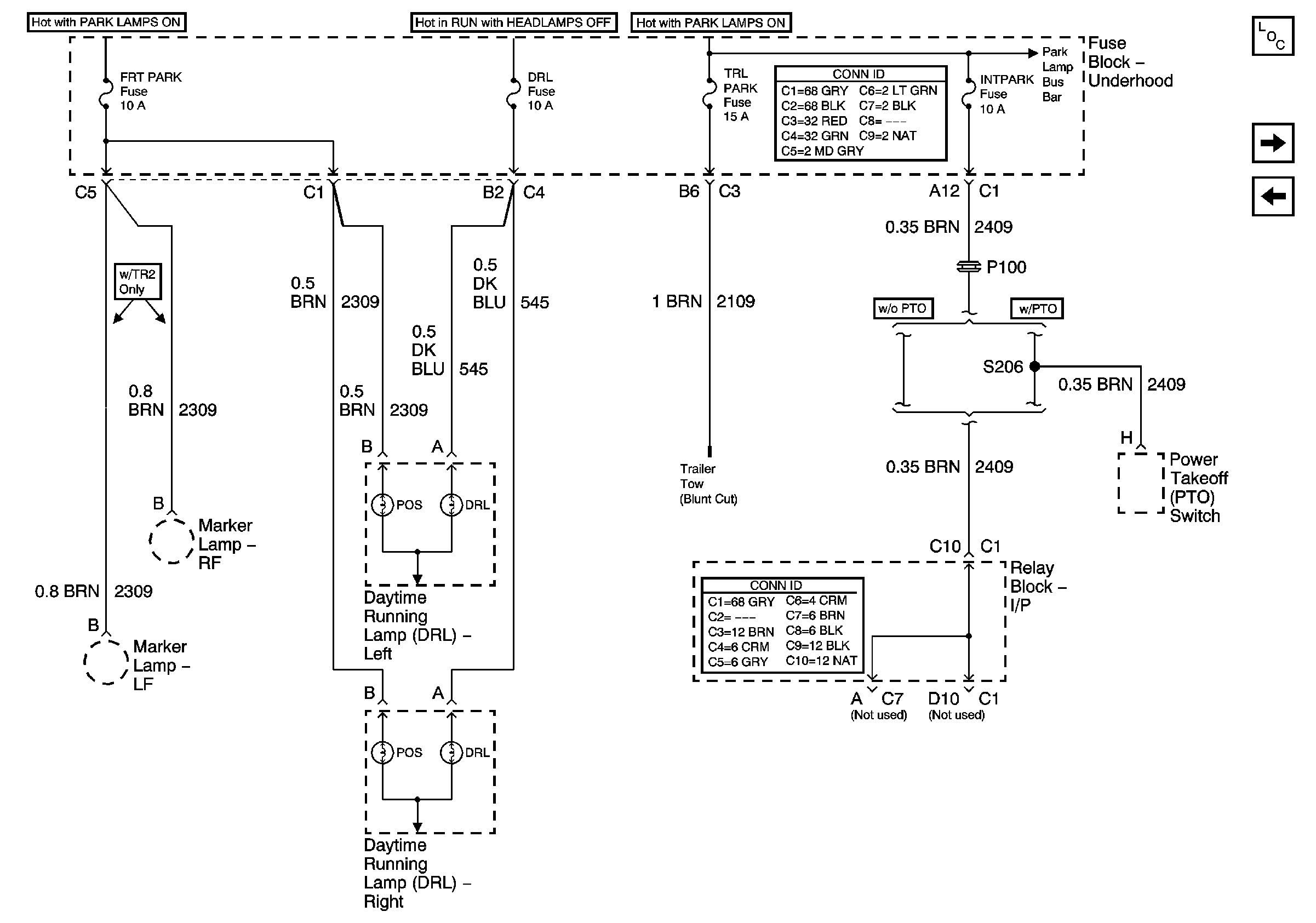
🢒 FRT PARK, DRL, TRL PARK, INT PARK - Export
FRT PARK, DRL, TRL PARK, INT PARK - Export
FRT PARK, DRL, TRL PARK, IN PARK - Export
Master Electrical Component List
CHMSL, STOP, LT TRLR, RT TRLR
FRT PARK, INTR PARK, TRL PARK - Domestic
B+ Bus Bar - 3 of 3