GM Service Manual Online
For 1990-2009 cars only
Makes
🢒
Chevrolet
🢒
2003
🢒
Chevy C Silverado - 2WD
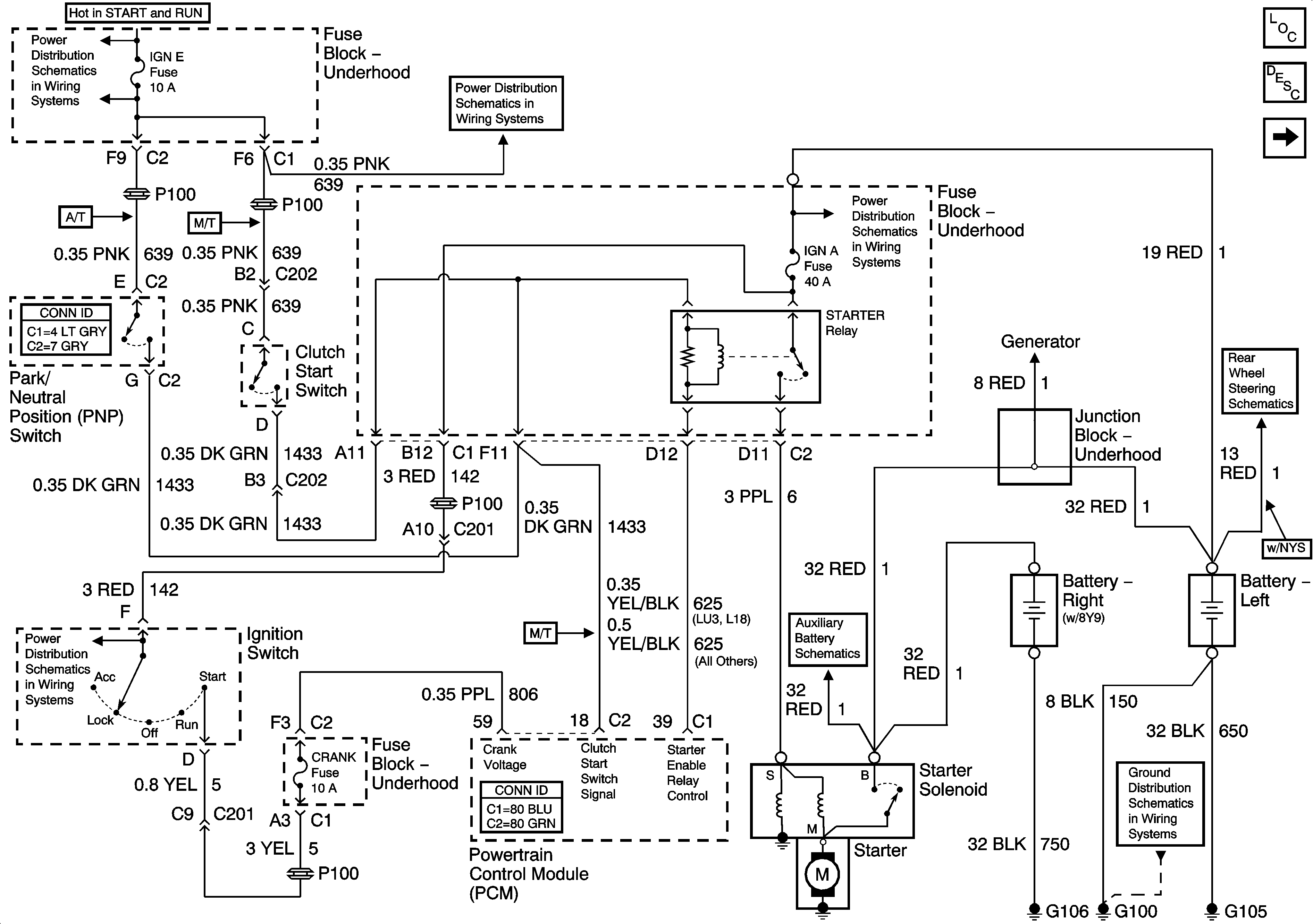
🢒 Starting System-Gas
Starting System-Gas
Starting System-Gas
Master Electrical Component List
Starting System Description and Operation
Starting System-Diesel
IGN E
IGN E
B+ Bus Bar (Gas) - 1 of 3
Auxiliary Battery
Power, Ground, DLC, and Vehicle Speed
G100, G101, G105