GM Service Manual Online
For 1990-2009 cars only
Makes
🢒
Chevrolet
🢒
2003
🢒
Chevy C Silverado - 2WD
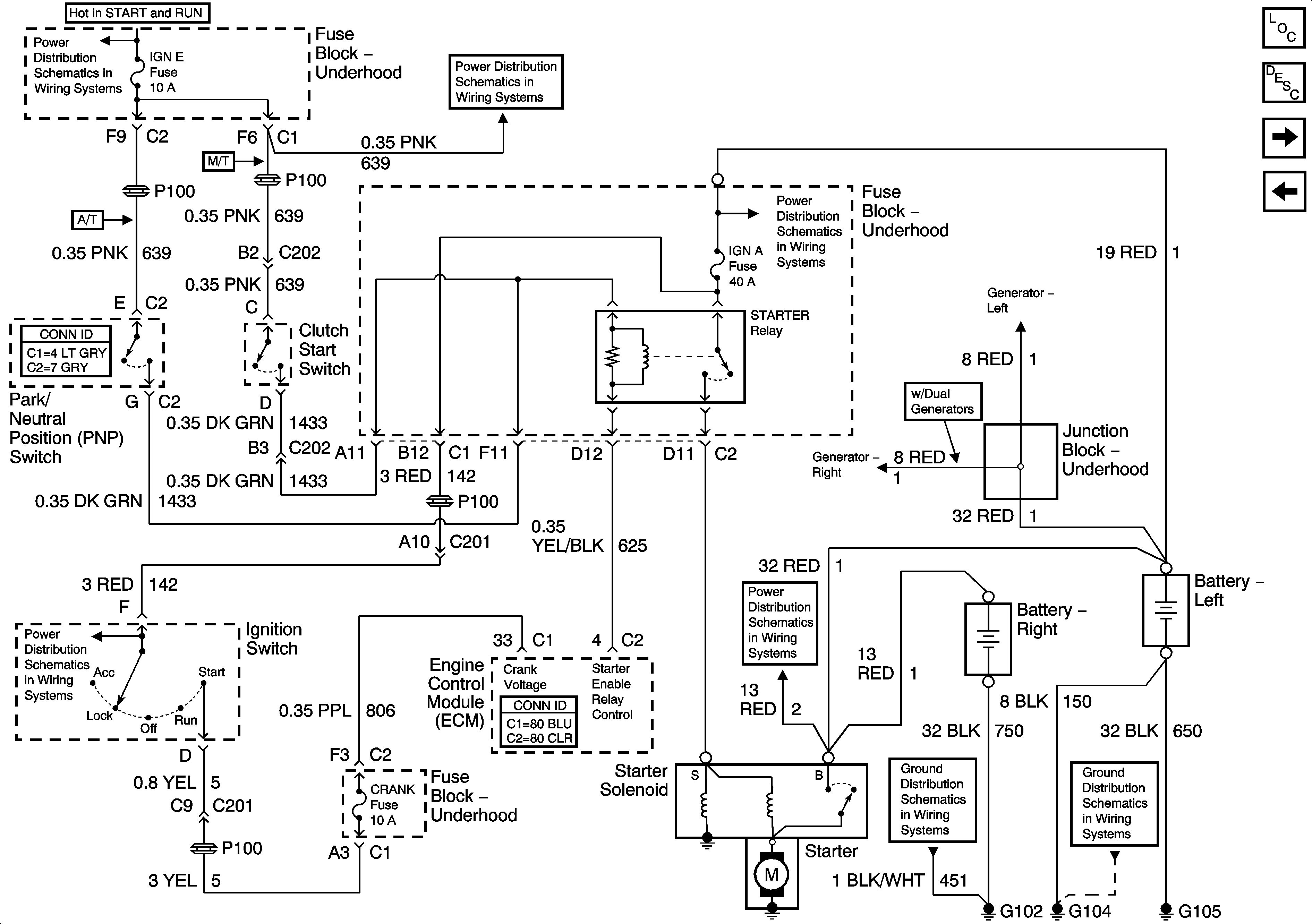
🢒 Starting System-Diesel
Starting System-Diesel
Starting System-Diesel
Master Electrical Component List
Starting System Description and Operation
Charging System-Gas
Starting System-Gas
Ignition, Run, Start, Accy Bus Bar
IGN E
B+ Bus Bar (Diesel) - 2 of 3
B+ Bus Bar (Diesel) - 2 of 3
G104, G106, G107
G102, G103, G108, and G109 - Diesel