GM Service Manual Online
For 1990-2009 cars only
Makes
🢒
Chevrolet
🢒
2003
🢒
Chevy C Silverado - 2WD
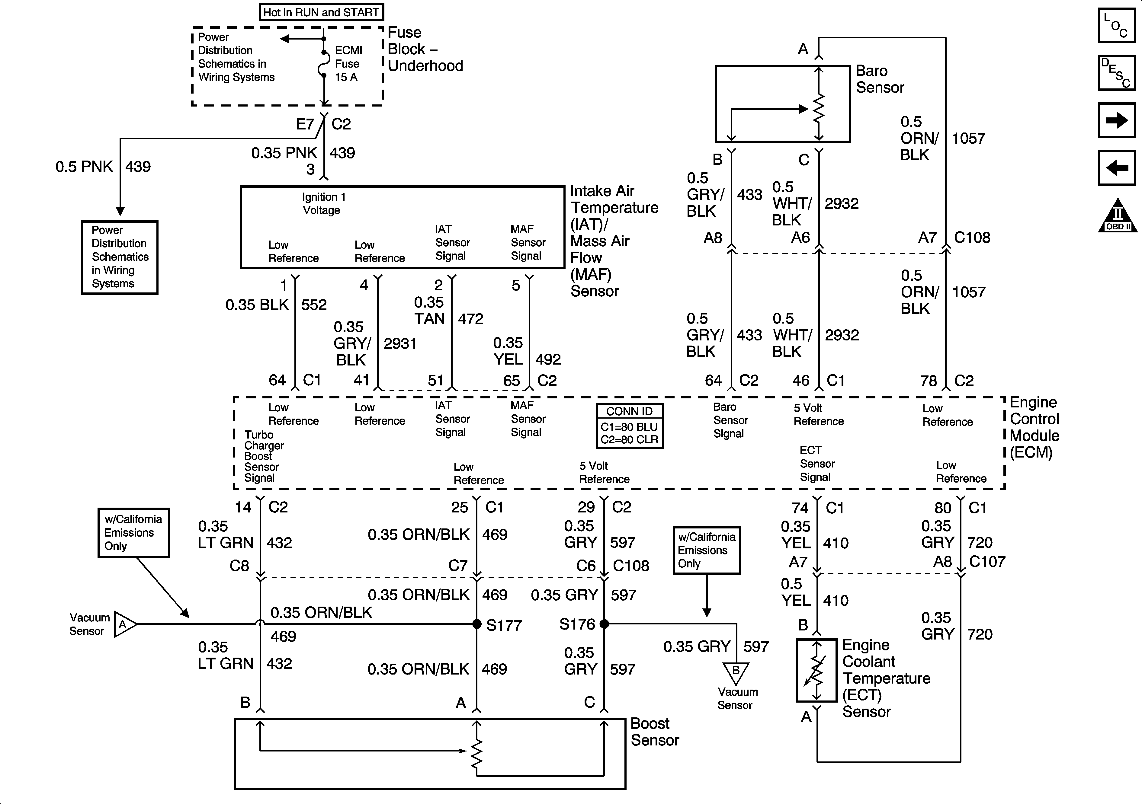
🢒 Engine Data Sensors - Pressure and Temperature
Engine Data Sensors - Pressure and Temperature
Engine Data Sensors - Pressure and Temperature
Master Electrical Component List
Engine Control Module Description
Engine Data Sensors - EGR and Vacuum
MIL Control and Serial Data
OBD II Symbol Description Notice
IGN 1 Relay Bus, SEO 2, RR DEFOG, SEO IGN, B/U LP
SBA, ETC, PCM 1, BTSI, TRL B/U
Engine Data Sensors - EGR and Vacuum
Engine Data Sensors - EGR and Vacuum