GM Service Manual Online
For 1990-2009 cars only
Makes
🢒
Chevrolet
🢒
2003
🢒
Chevy C Silverado - 2WD
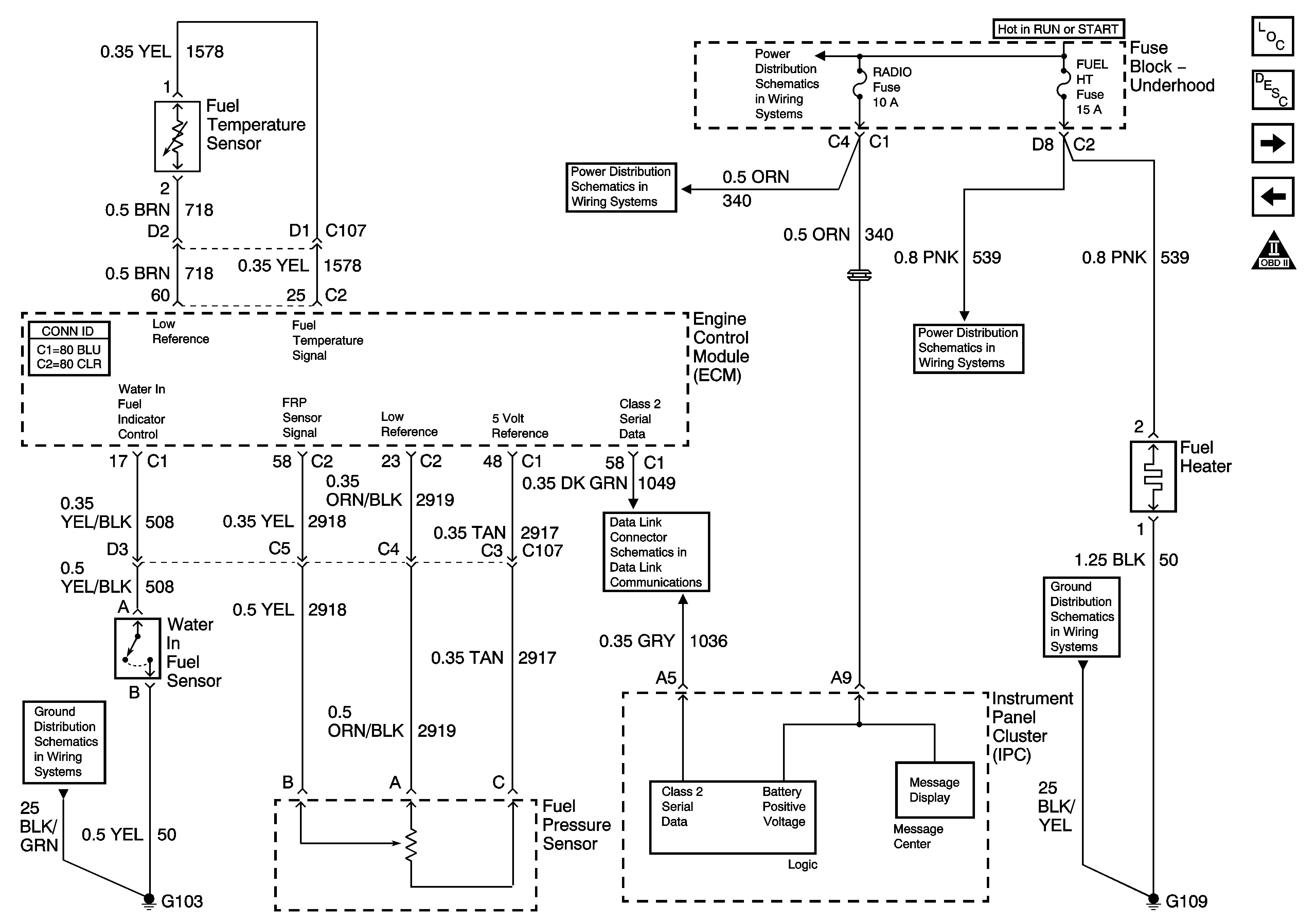
🢒 Fuel Controls - Water in Fuel, Fuel Temperature, and Fuel Pressure Sensors
Fuel Controls - Water in Fuel, Fuel Temperature, and Fuel Pressure Sensors
Fuel Controls - Water in Fuel, Fuel Temperature, and Fuel Pressure Sensors
Master Electrical Component List
Engine Control Module Description
Fuel Controls - Injector and Pressure Controls
Fuel Controls - Fuel Pump Controls
OBD II Symbol Description Notice
QS4, RADIO, RDO AMP
Ignition, Run, Start, Accy Bus Bar
FUEL HT and ECM I Fuses - Diesel Only
G102, G103-Gas
SP205 - 2 of 2
G102, G103-Gas