GM Service Manual Online
For 1990-2009 cars only
Makes
🢒
Chevrolet
🢒
2004
🢒
Chevy C Silverado - 2WD
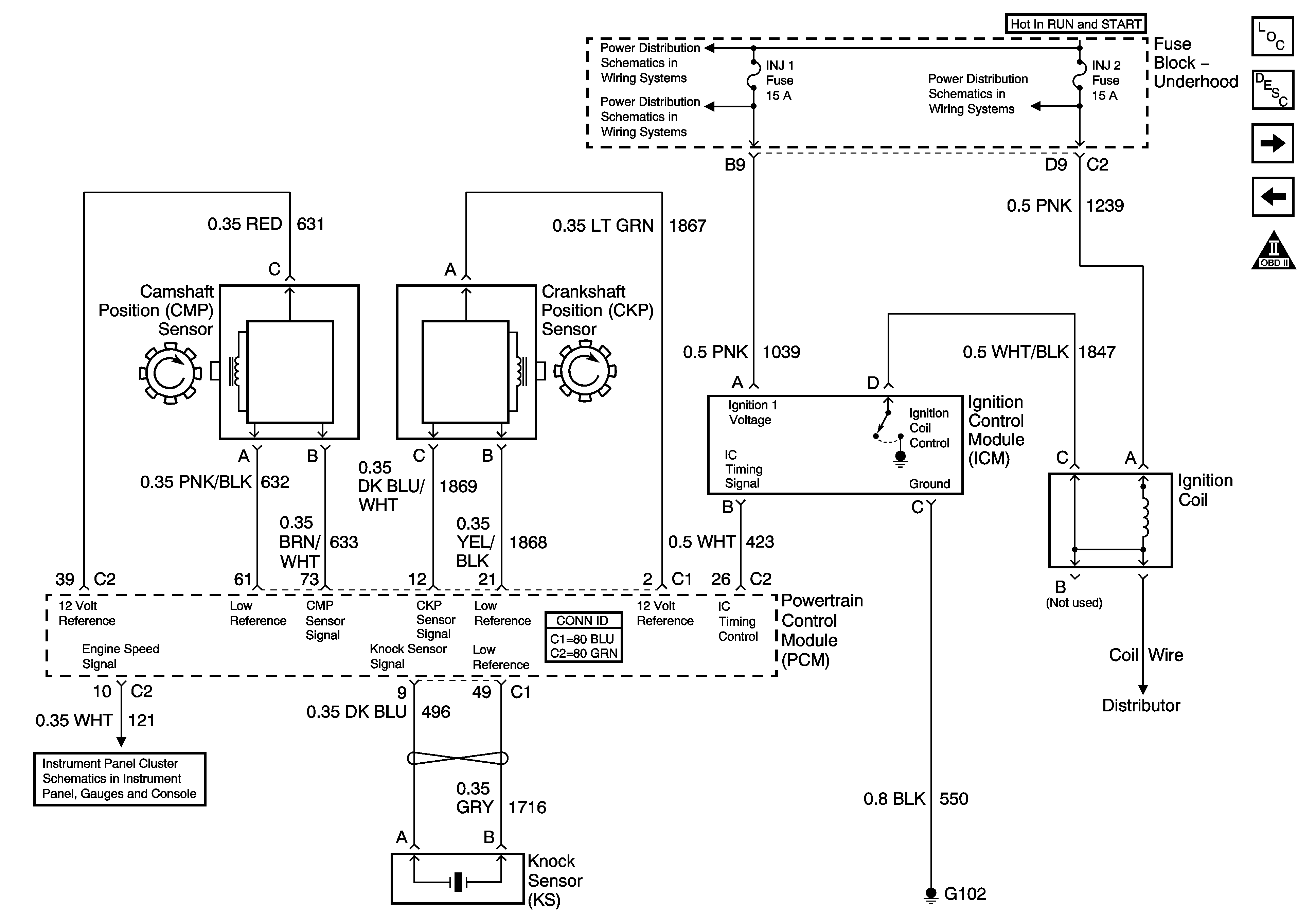
🢒 Ignition Controls
Ignition Controls
Ignition Controls
Master Electrical Component List
Powertrain Control Module Description
Fuel Controls - Fuel Pump Controls
Engine Data Sensors - HO2S
OBD II Symbol Description Notice
B+ Bus Bar - 2 of 2
INJ 1and INJ 2 Fuses - Gas Except 8.1L
INJ 1and INJ 2 Fuses - Gas Except 8.1L
Gages
Engine Controls Schematic Icons