GM Service Manual Online
For 1990-2009 cars only
Makes
🢒
Chevrolet
🢒
2004
🢒
Chevy C Silverado - 2WD
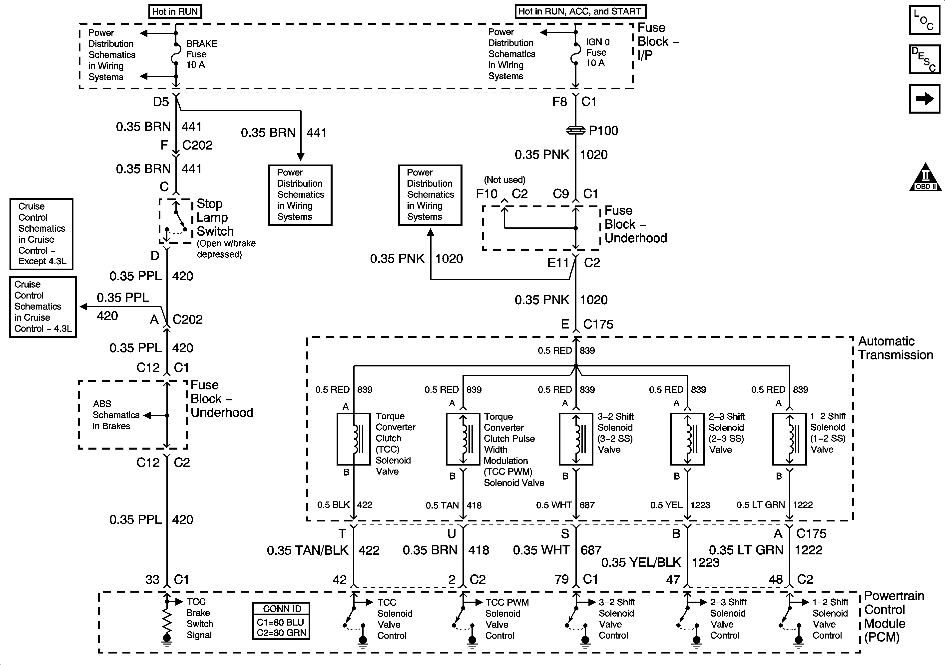
🢒 Valve Controls and Brake Switch
Valve Controls and Brake Switch
Valve Controls and Brake Switch
Master Electrical Component List
Transmission Component and System Description
Switch Inputs
OBD II Symbol Description Notice
BRAKE, HTR/AC, and HVAC 1 Fuses
Ignition Switch - START, RUN, and ACC/RUN/START Bus Bars
BRAKE, HTR/AC, and HVAC 1 Fuses
IGN 0, TBC IGN 0,TBC ACCY, SEO ACCY, RR WPR, and WS WPR Fuses
4.8, 5.3, 6.0, and 8.1L - 2 of 2
4.3L - 2 of 2
8600 GVW or Less - 2 of 2