GM Service Manual Online
For 1990-2009 cars only
Makes
🢒
Chevrolet
🢒
2004
🢒
Chevy C Silverado - 2WD
🢒 4.3L - 2 of 2
4.3L - 2 of 2
4.3L - 2 of 2
Master Electrical Component List
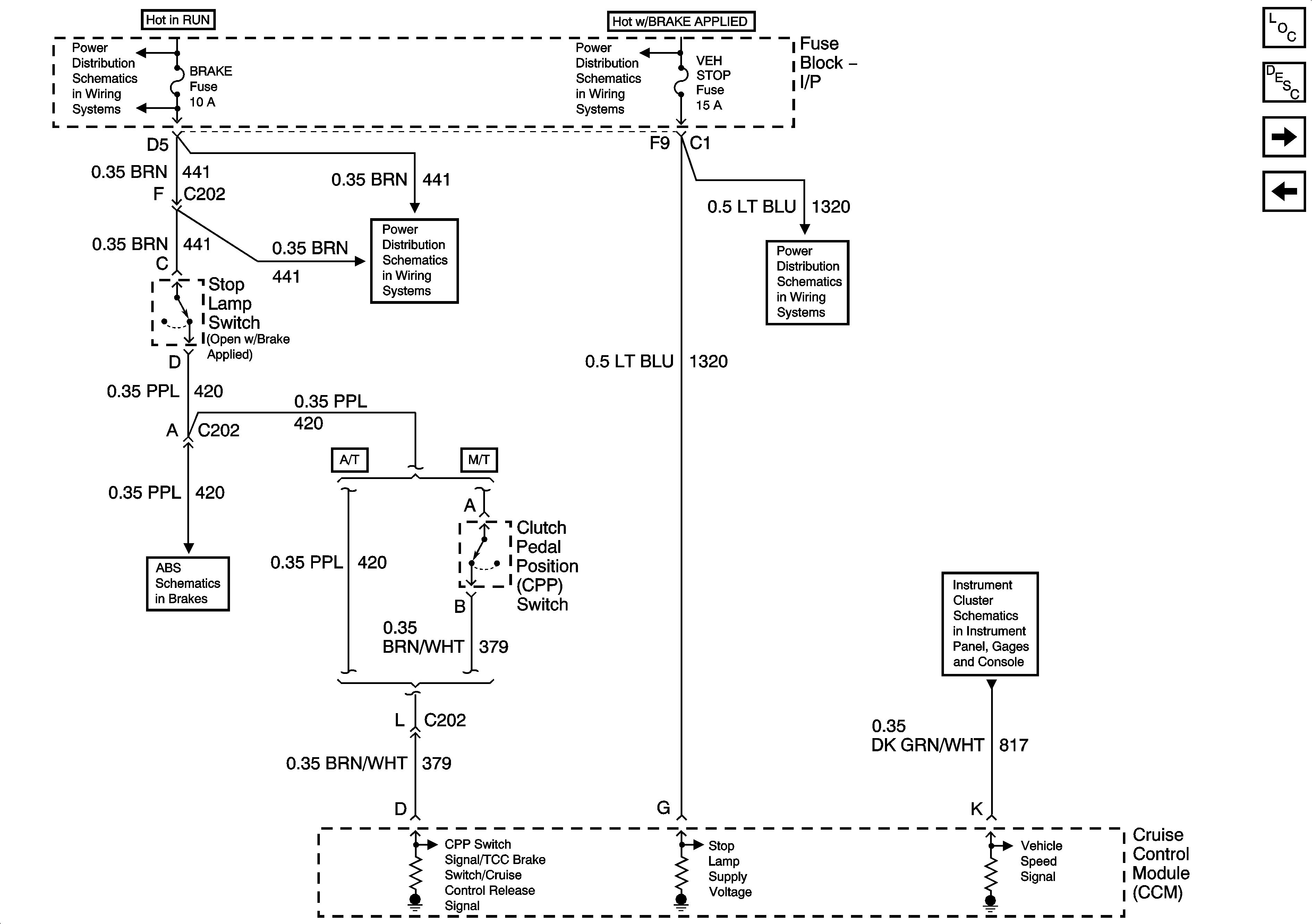
Cruise Control Description and Operation 4.3L
4.8, 5.3, 6.0, and 8.1L - 1 of 2
4.3L - 1 of 2
BRAKE, HTR/AC, and HVAC 1 Fuses
VEH CHMSL, VEH STOP, LT TRLR ST/TRN, and RT TRLR ST/TRN Fuses
BRAKE, HTR/AC, and HVAC 1 Fuses
VEH CHMSL, VEH STOP, LT TRLR ST/TRN, and RT TRLR ST/TRN Fuses
8600 GVW or Less - 2 of 2
Vehicle Speed and Speedometer