GM Service Manual Online
For 1990-2009 cars only
Makes
🢒
Chevrolet
🢒
2004
🢒
Chevy C Silverado - 2WD
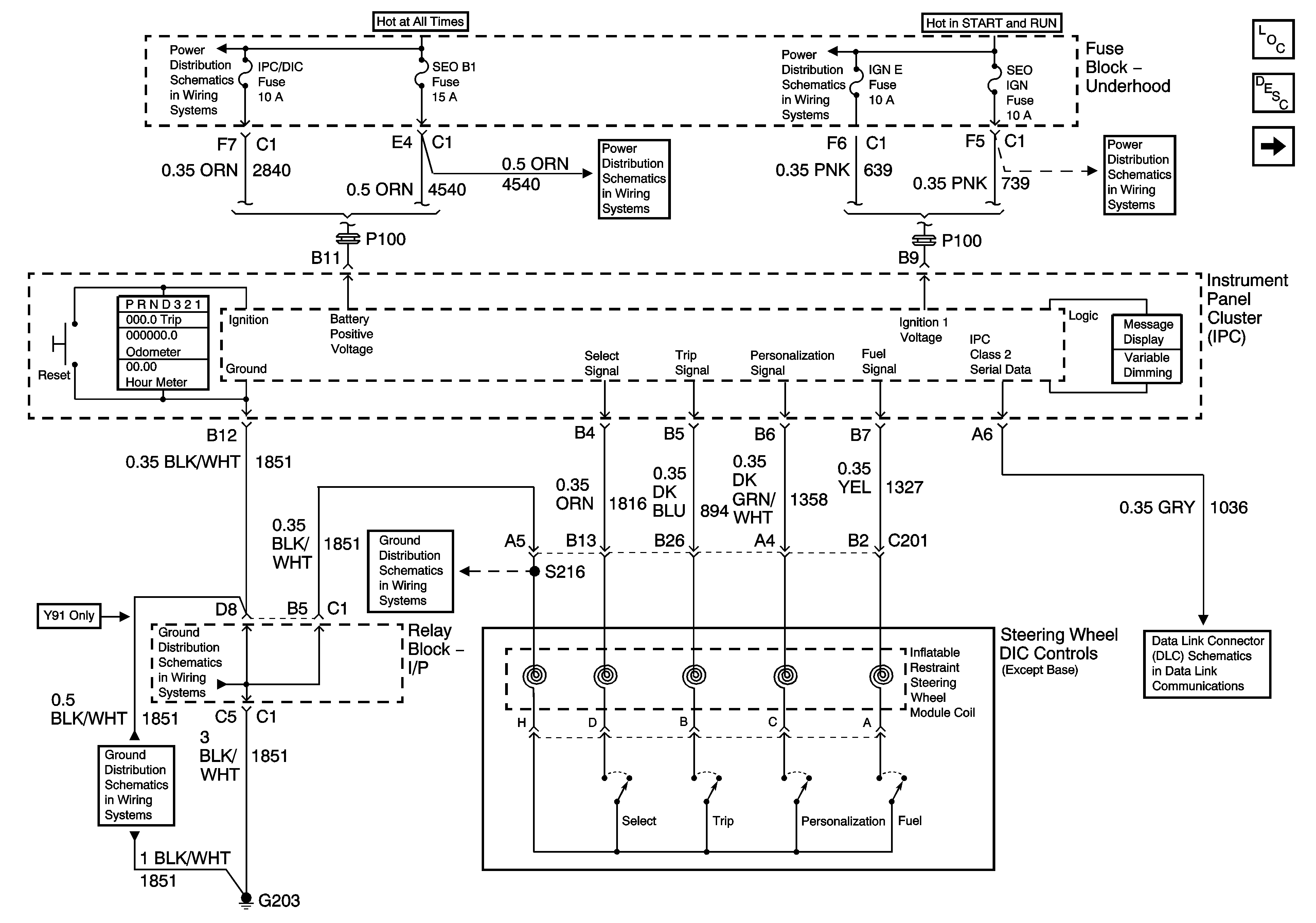
🢒 Power, Ground, Serial Data and Driver Information Controls
Power, Ground, Serial Data and Driver Information Controls
Power, Ground, Serial Data and Driver Information Controls
Master Electrical Component List
Instrument Cluster Description and Operation
Indicators
B+ Bus Bar - 1 of 2
Ignition Switch - ACC/RUN and RUN/START Bus Bars
RTD, IPC/DIC, SEO B1, SUNROOF, EAP, and RR WPR Fuses
SEO B2, RR DEFOG, SEO IGN, and B/U LP Fuses
G203 - 3 of 3
G203 - 1 of 3
G203 - 1 of 3
SP205 - 1 of 2