GM Service Manual Online
For 1990-2009 cars only
Makes
🢒
Chevrolet
🢒
2004
🢒
Chevy C Silverado - 2WD
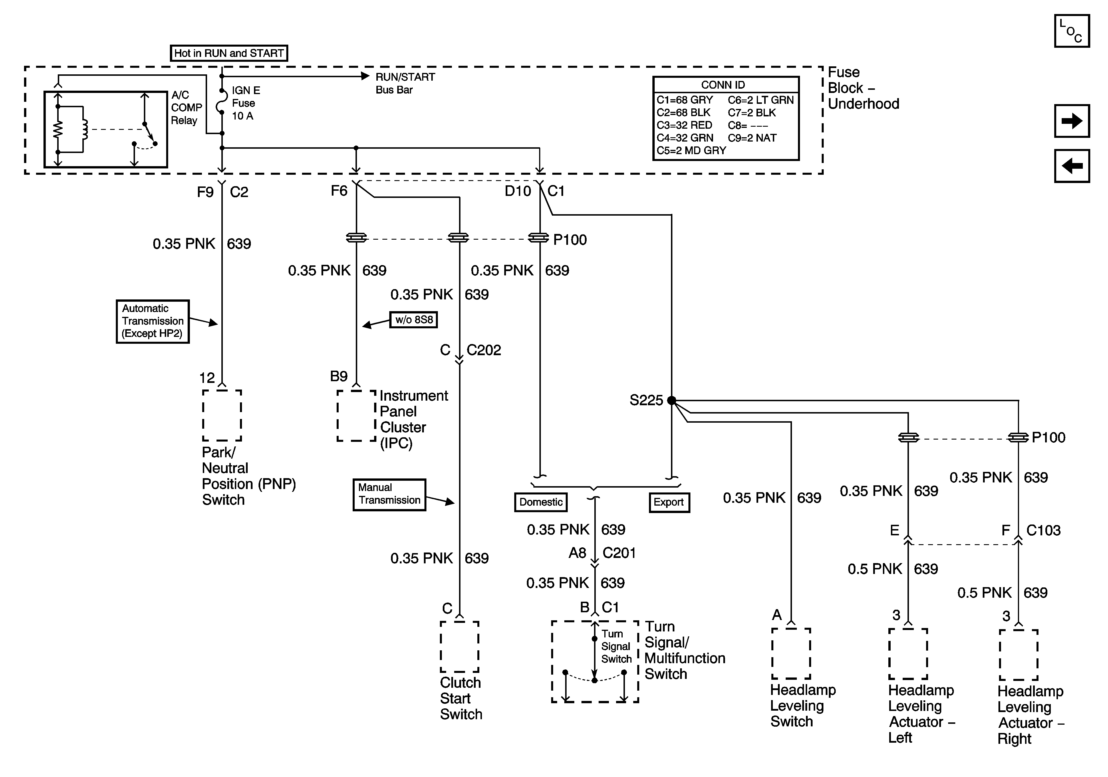
🢒 IGN E Fuse
IGN E Fuse
IGN E Fuse
Master Electrical Component List
SBA, ETC/ECM, PCM 1, BTSI, and TRL B/U Fuses
O2A, O2B, TBC IGN 1, and SEO IGN Fuses
Ignition Switch - ACC/RUN and RUN/START Bus Bars