GM Service Manual Online
For 1990-2009 cars only
Makes
🢒
Chevrolet
🢒
2004
🢒
Chevy C Silverado - 2WD
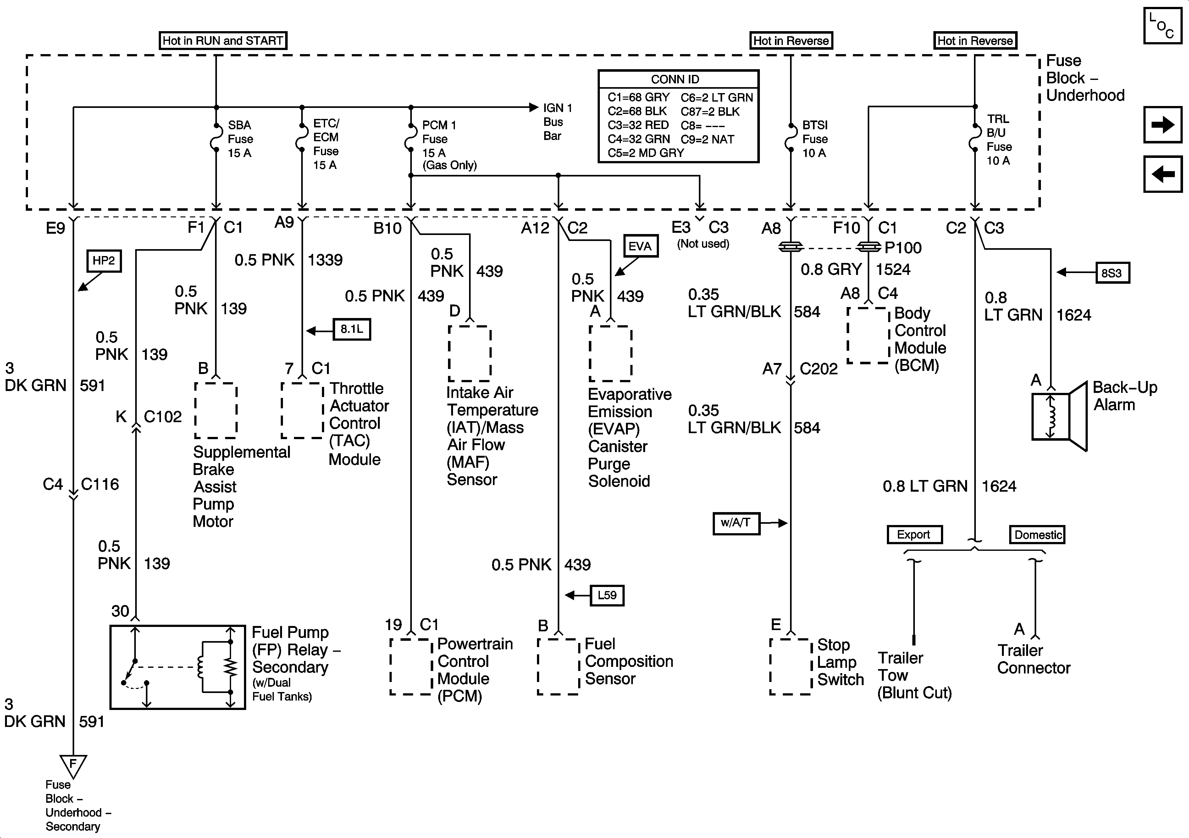
🢒 SBA, ETC/ECM, PCM 1, BTSI, and TRL B/U Fuses
SBA, ETC/ECM, PCM 1, BTSI, and TRL B/U Fuses
SBA, ETC/ECM, PCM 1, BTSI, and TRL B/U Fuses
Master Electrical Component List
INJ 1and INJ 2 Fuses - Gas Except 8.1L
IGN E Fuse
B+ Bus Bar - 2 of 2
Continuous Mode Bus Bar (HP2)