GM Service Manual Online
For 1990-2009 cars only
Makes
🢒
Chevrolet
🢒
2004
🢒
Chevy C Silverado - 2WD
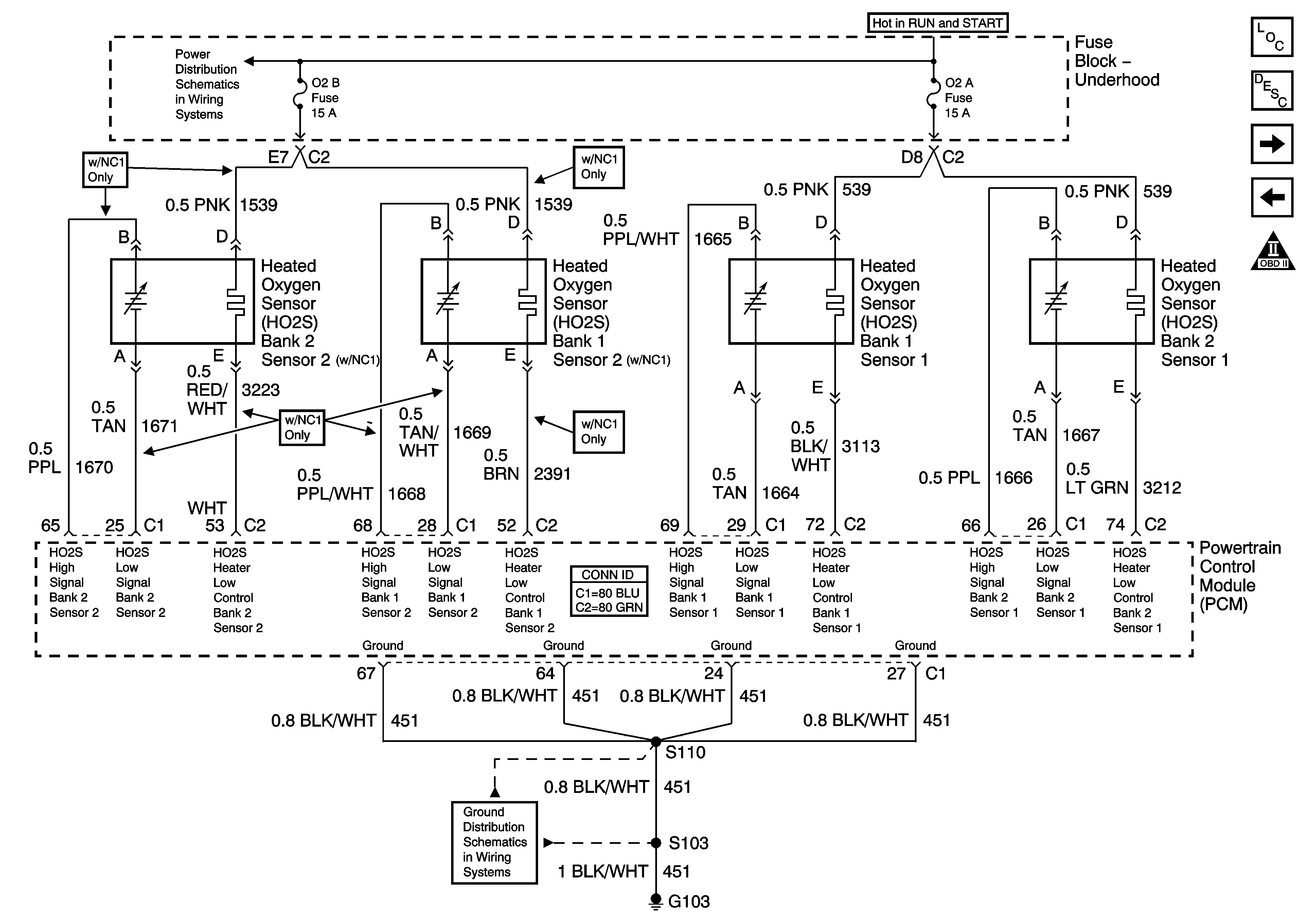
🢒 Engine Data Sensors - HO2S
Engine Data Sensors - HO2S
Engine Data Sensors - HO2S
Master Electrical Component List
Powertrain Control Module Description
Engine Data Sensors - Electronic Throttle Controls - 1 of 2
Engine Data Sensors - Pressure, Temperature and VSS
OBD II Symbol Description Notice
Ignition Switch - ACC/RUN and RUN/START Bus Bars
G103 - Gas