GM Service Manual Online
For 1990-2009 cars only
Makes
🢒
Chevrolet
🢒
2004
🢒
Chevy C Silverado - 2WD
🢒 Engine Data Sensors - Pressure, Temperature and VSS
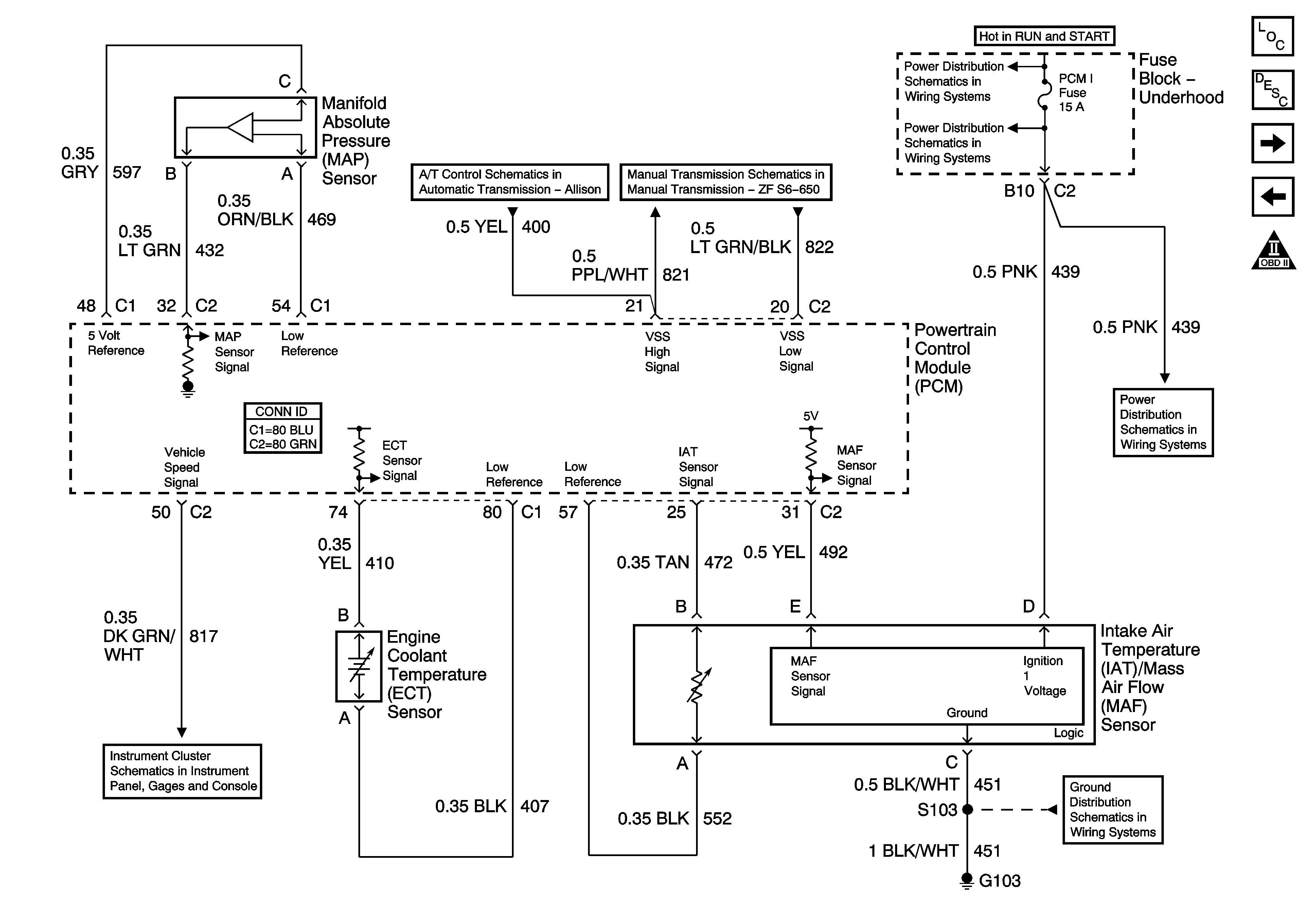
Engine Data Sensors - Pressure, Temperature and VSS
Engine Data Sensors - Pressure, Temperature and VSS
Master Electrical Component List
Powertrain Control Module Description
Engine Data Sensors - HO2S
Module Power, Ground, Serial Data and MIL
OBD II Symbol Description Notice
Speed Sensors
Manual Transmission Schematics
B+ Bus Bar - 2 of 2
SBA, ETC/ECM, PCM 1, BTSI, and TRL B/U Fuses
SBA, ETC/ECM, PCM 1, BTSI, and TRL B/U Fuses
Vehicle Speed and Speedometer
G103 - Gas