GM Service Manual Online
For 1990-2009 cars only
Makes
🢒
Chevrolet
🢒
2004
🢒
Chevy C Silverado - 2WD
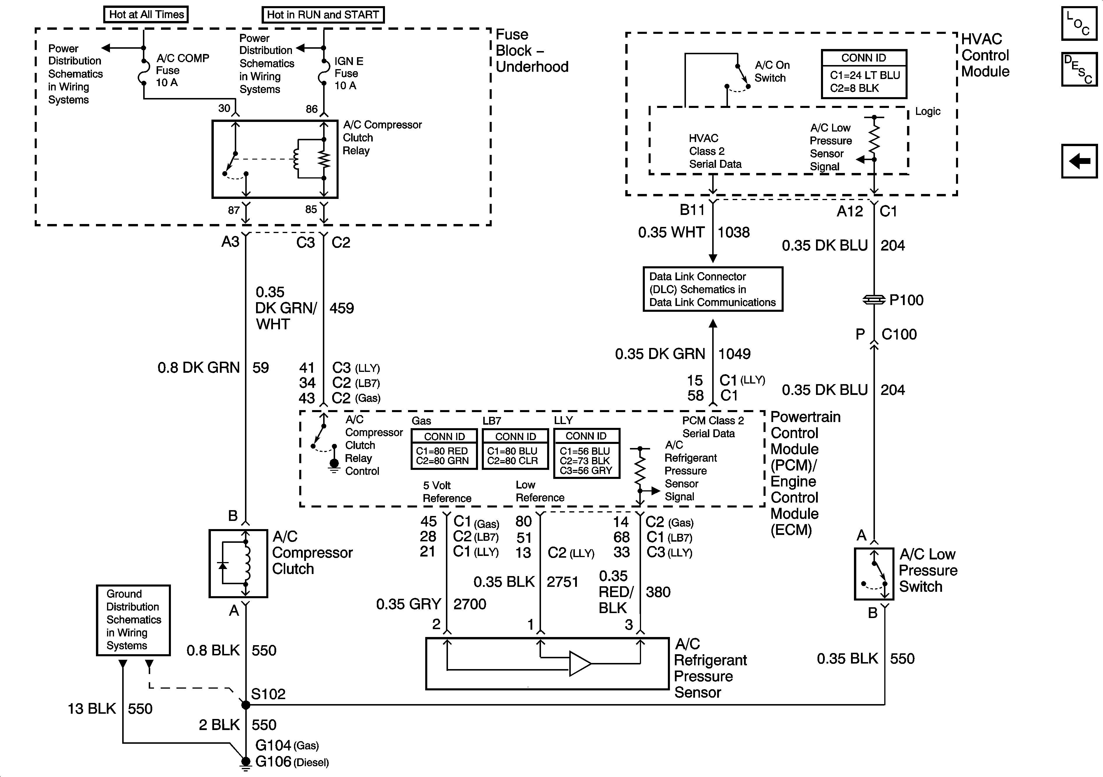
🢒 A/C Compressor Controls
A/C Compressor Controls
A/C Compressor Controls
Master Electrical Component List
Air Temperature Description and Operation
Mode and Recirculation Door Controls
B+ Bus Bar - 2 of 2
IGN E Fuse
SP205 - 1 of 2
G104, G106, and G107