GM Service Manual Online
For 1990-2009 cars only
Makes
🢒
Chevrolet
🢒
2004
🢒
Chevy C Silverado - 2WD
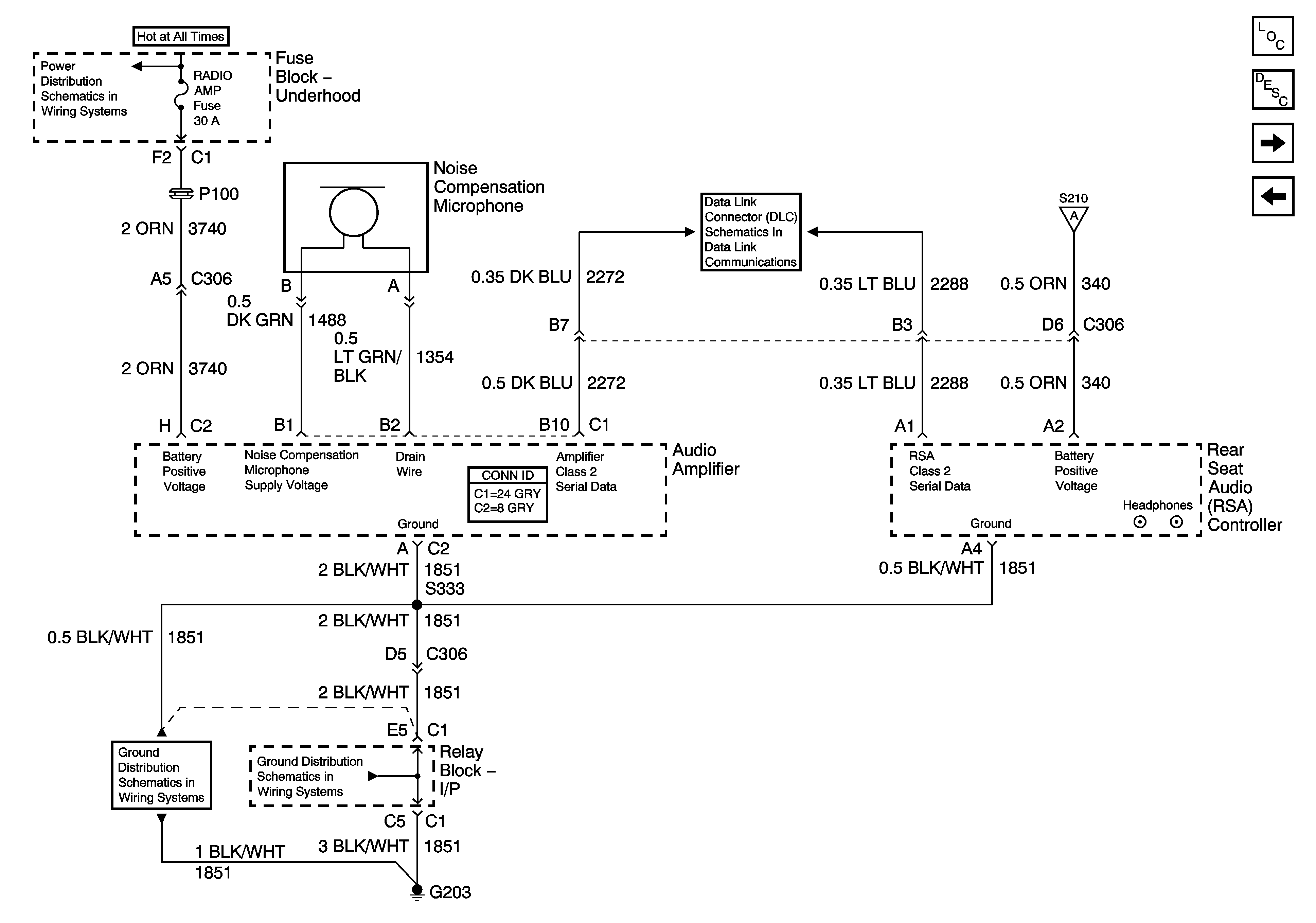
🢒 Amplifier/RSA Power, Ground, and Serial Data
Amplifier/RSA Power, Ground, and Serial Data
Amplifier/RSA Power, Ground, and Serial Data
Master Electrical Component List
Radio/Audio System Description and Operation
Speakers
Audio Signals - 2 of 2
4WS, RADIO, and RADIO AMP Fuses
SP207
Power, Ground, Serial Data, and Low Level Audio Signals
G203 - 1 of 3