GM Service Manual Online
For 1990-2009 cars only
Makes
🢒
Chevrolet
🢒
2004
🢒
Chevy C Silverado - 2WD
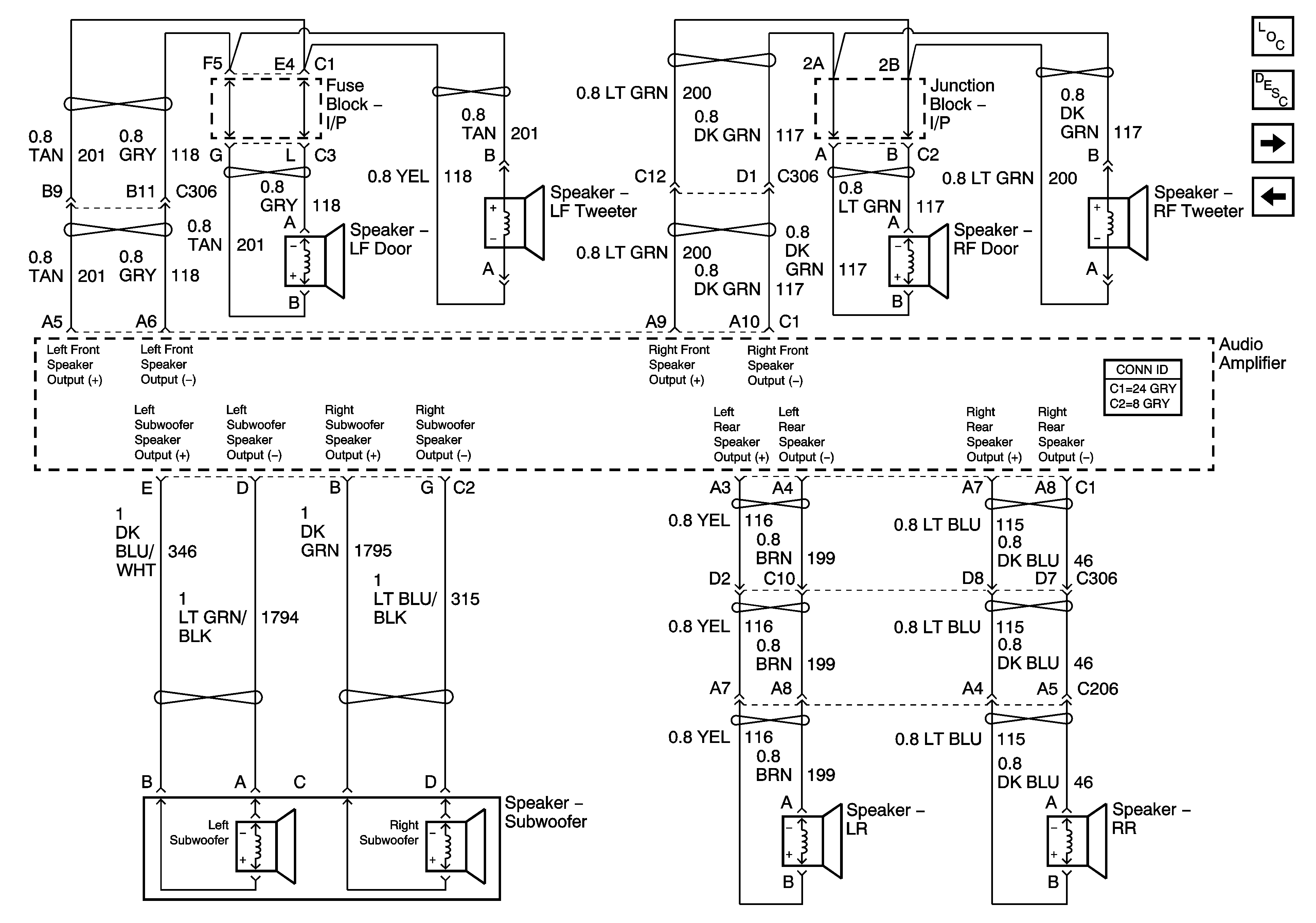
🢒 Speakers
Speakers
Speakers
Master Electrical Component List
Radio/Audio System Description and Operation
Remote CD Player
Amplifier/RSA Power, Ground, and Serial Data