GM Service Manual Online
For 1990-2009 cars only
Makes
🢒
Chevrolet
🢒
2004
🢒
Chevy C Silverado - 2WD
🢒 Remote CD Player
Remote CD Player
Remote CD Player
Master Electrical Component List
Video Entertainment System Description and Operation
Digital Radio Receiver
Speakers
INFO and CIG LTR Fuses
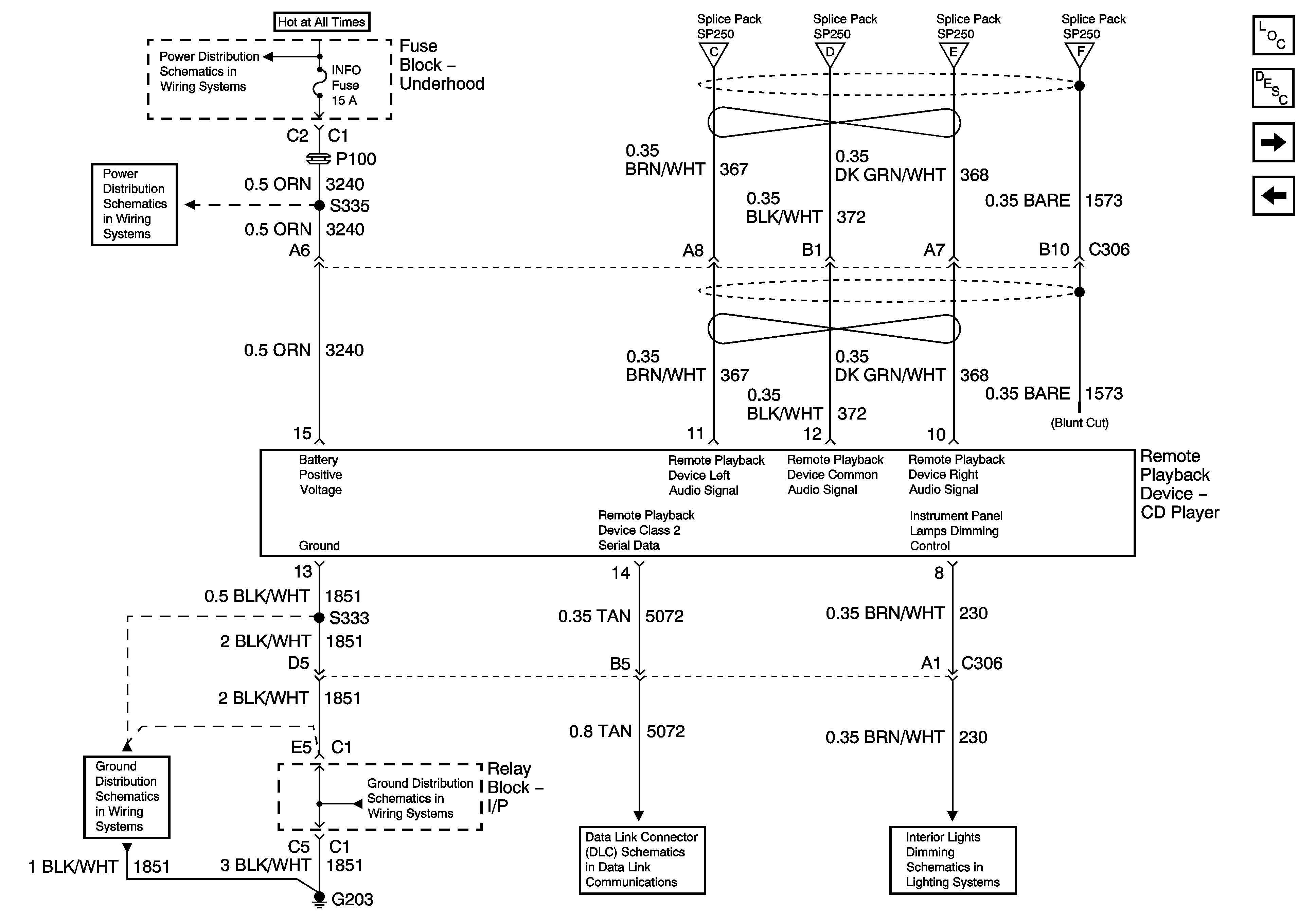
Audio Signals - 2 of 2
Audio Signals - 2 of 2
Audio Signals - 2 of 2
Audio Signals - 2 of 2
INFO and CIG LTR Fuses
G203 - 1 of 3
G203 - 1 of 3
SP207
I/P Dimming Supply Voltage - 2 of 6