GM Service Manual Online
For 1990-2009 cars only
Makes
🢒
Chevrolet
🢒
2004
🢒
Chevy C Silverado - 2WD
🢒 Front
Front
Front
Master Electrical Component List
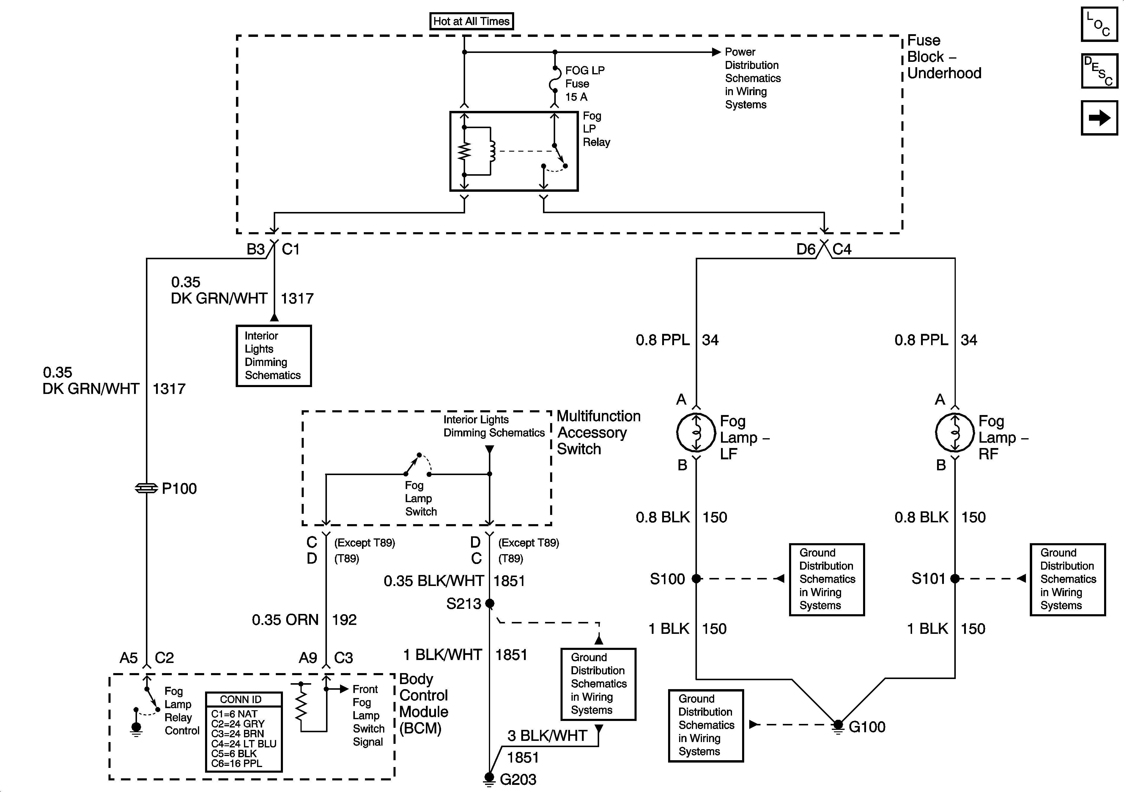
Exterior Lighting Systems Description and Operation
Rear - Export Only
B+ Bus Bar - 2 of 2
LED Dimming Supply Voltage - 1 of 3
LED Dimming Supply Voltage - 2 of 3
G203 - 1 of 3
G100 and G101
G100 and G101
G100 and G101