GM Service Manual Online
For 1990-2009 cars only
Makes
🢒
Chevrolet
🢒
2004
🢒
Chevy C Silverado - 2WD
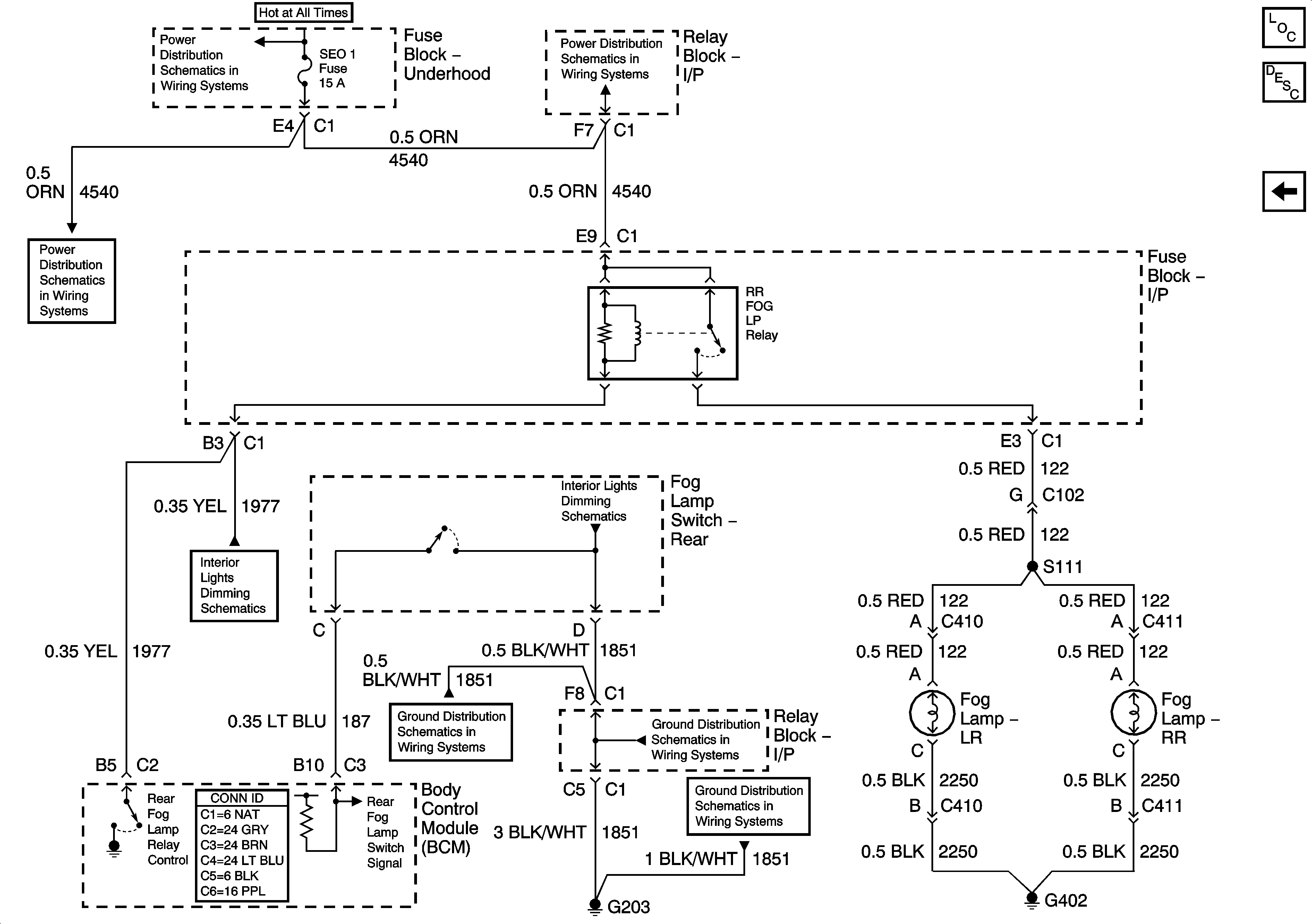
🢒 Rear - Export Only
Rear - Export Only
Rear - Export Only
Master Electrical Component List
Exterior Lighting Systems Description and Operation
Front
RTD, IPC/DIC, SEO B1, SUNROOF, EAP, and RR WPR Fuses
RTD, IPC/DIC, SEO B1, SUNROOF, EAP, and RR WPR Fuses
LED Dimming Supply Voltage - 2 of 3
I/P Dimming Supply Voltage - 2 of 6
G203 - 2 of 3
G203 - 1 of 3
G203 - 1 of 3
B+ Bus Bar - 1 of 2