GM Service Manual Online
For 1990-2009 cars only
Makes
🢒
Chevrolet
🢒
2004
🢒
Chevy C Silverado - 2WD
🢒 Interior Park
Interior Park
Interior Park
Master Electrical Component List
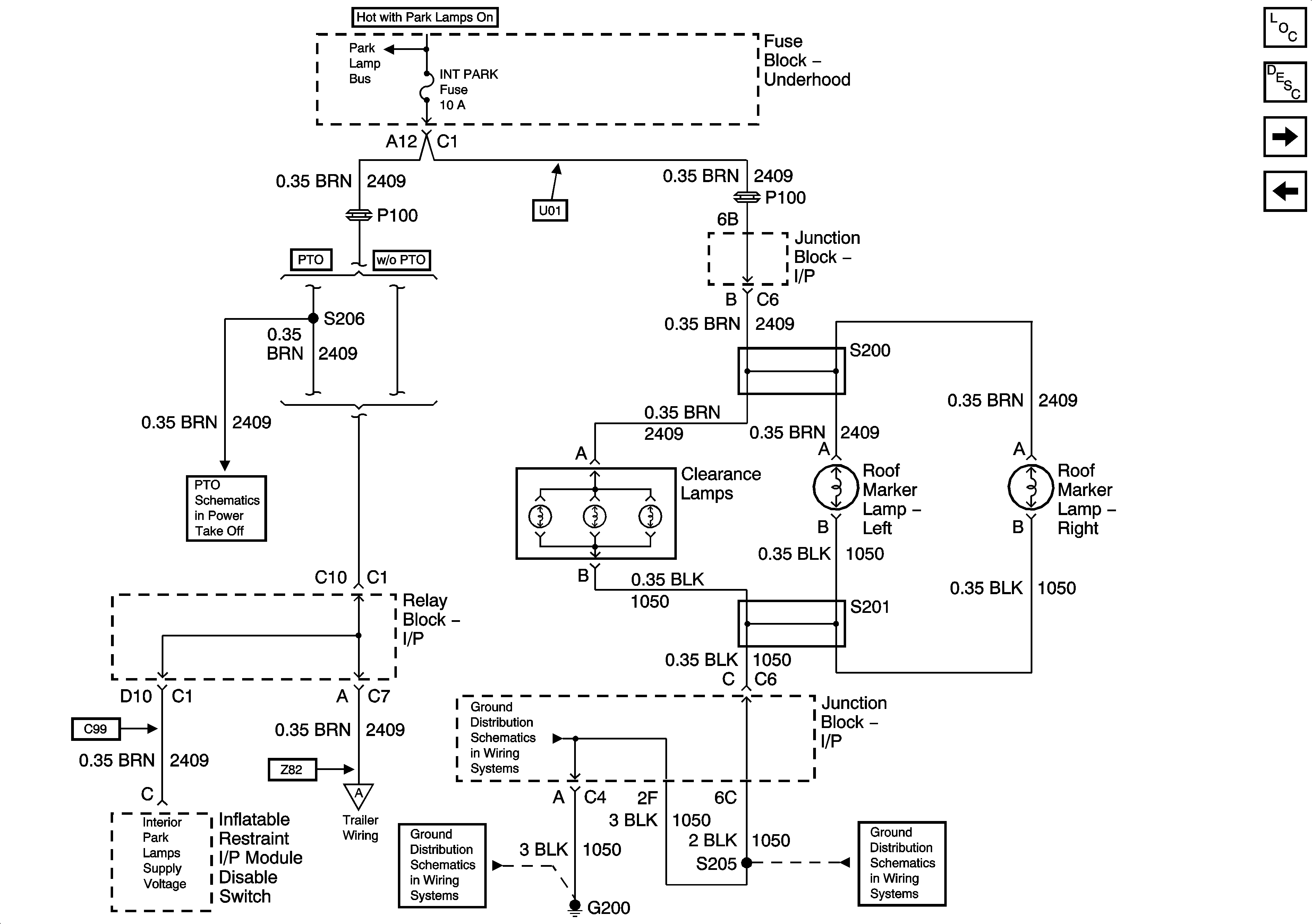
Exterior Lighting Systems Description and Operation
Right Rear Park Lamps - GMC
Front Park Lamps - Export
Park Lamp Relay - Domestic
Power Take-Off (PTO) Schematics
Trailer Wiring/Connector
G200 - 1 of 3
G200 - 1 of 3
G200 - 2 of 3
FRT PARK, INT PARK, and TRL PARK Fuses - Domestic