GM Service Manual Online
For 1990-2009 cars only
Makes
🢒
Chevrolet
🢒
2004
🢒
Chevy C Silverado - 2WD
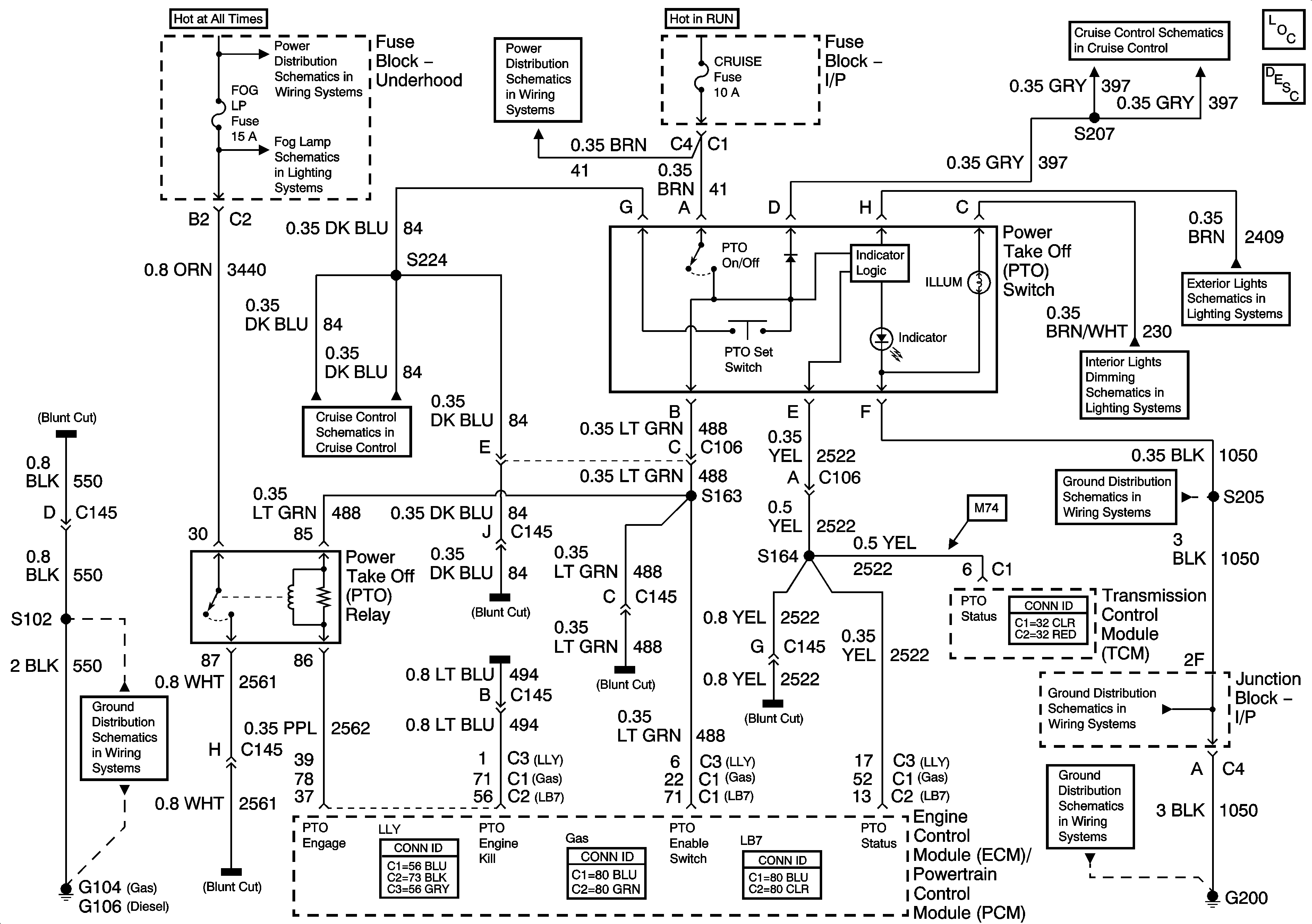
🢒 Power Take-Off (PTO) Schematics
Power Take-Off (PTO) Schematics
Master Electrical Component List
Power Take-Off (PTO) Description and Operation
B+ Bus Bar - 2 of 2
Front
IGN 3, Cruise, and 4WD Fuses
4.8, 5.3, 6.0, and 8.1L - 1 of 2
4.8, 5.3, 6.0, and 8.1L - 1 of 2
I/P Dimming Supply Voltage - 5 of 6
Interior Park
G200 - 2 of 3
G200 - 1 of 3
G104, G106, and G107
G200 - 1 of 3