GM Service Manual Online
For 1990-2009 cars only
Makes
🢒
Chevrolet
🢒
2004
🢒
Chevy C Silverado - 2WD
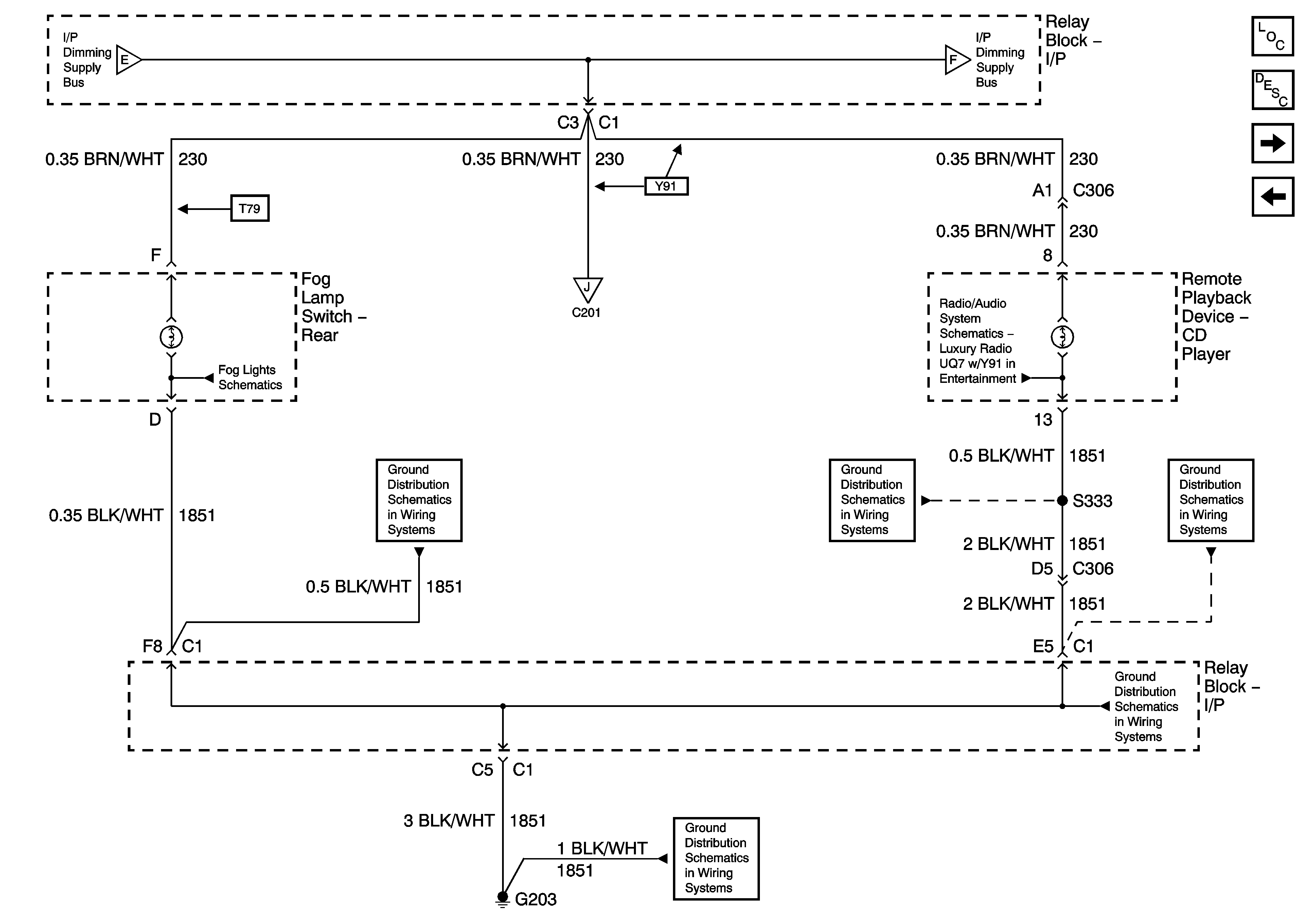
🢒 I/P Dimming Supply Voltage - 2 of 6
I/P Dimming Supply Voltage - 2 of 6
I/P Dimming Supply Voltage - 2 of 6
Master Electrical Component List
Interior Lighting Systems Description and Operation
I/P Dimming Supply Voltage - 3 of 6
I/P Dimming Supply Voltage - 1 of 6
I/P Dimming Supply Voltage - 1 of 6
I/P Dimming Supply Voltage - 4 of 6
Rear - Export Only
I/P Dimming Supply Voltage - 3 of 6
Remote CD Player
G203 - 2 of 3
G203 - 1 of 3
G203 - 1 of 3
G203 - 1 of 3
G203 - 1 of 3