GM Service Manual Online
For 1990-2009 cars only
Makes
🢒
Chevrolet
🢒
2004
🢒
Chevy C Silverado - 2WD
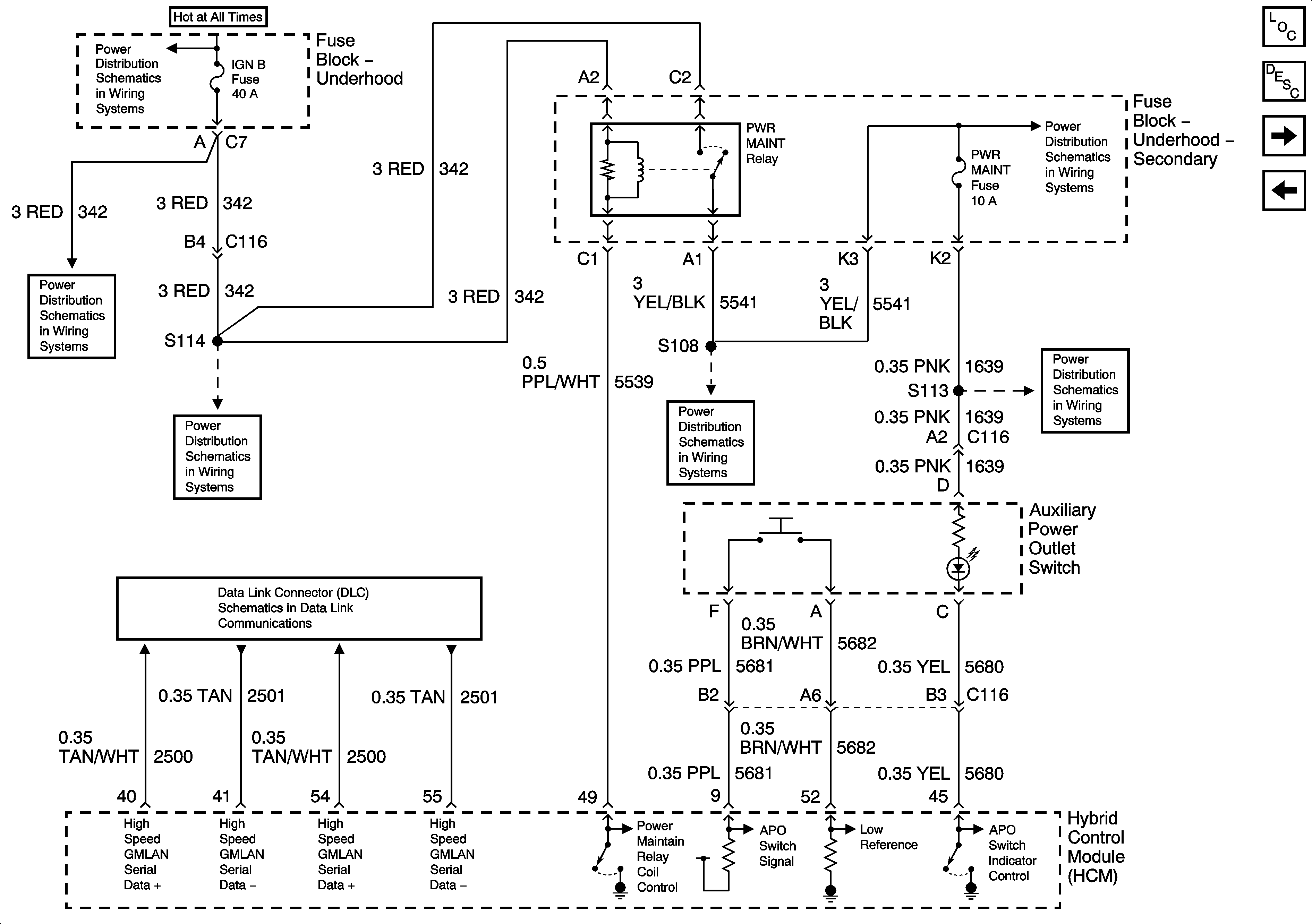
🢒 120V AC Outlets - 1 of 2 - HP2
120V AC Outlets - 1 of 2 - HP2
120-Volt AC Outlets - HP2 - 1 of 2
Master Electrical Component List
Power Outlets Description and Operation
120V AC Outlets - 2 of 2 - HP2
Y91
B+ Bus Bar - 1 of 2
Ignition Switch - ACC/RUN and RUN/START Bus Bars
Continuous Mode Bus Bar (HP2)
Continuous Mode Bus Bar (HP2)
PWR MAINT, HYBRID O2A, and HYBRID O2B Fuses (HP2)
Continuous Mode Bus Bar (HP2)
High Speed GMLAN - Hybrid Only