GM Service Manual Online
For 1990-2009 cars only
Makes
🢒
Chevrolet
🢒
2004
🢒
Chevy C Silverado - 2WD
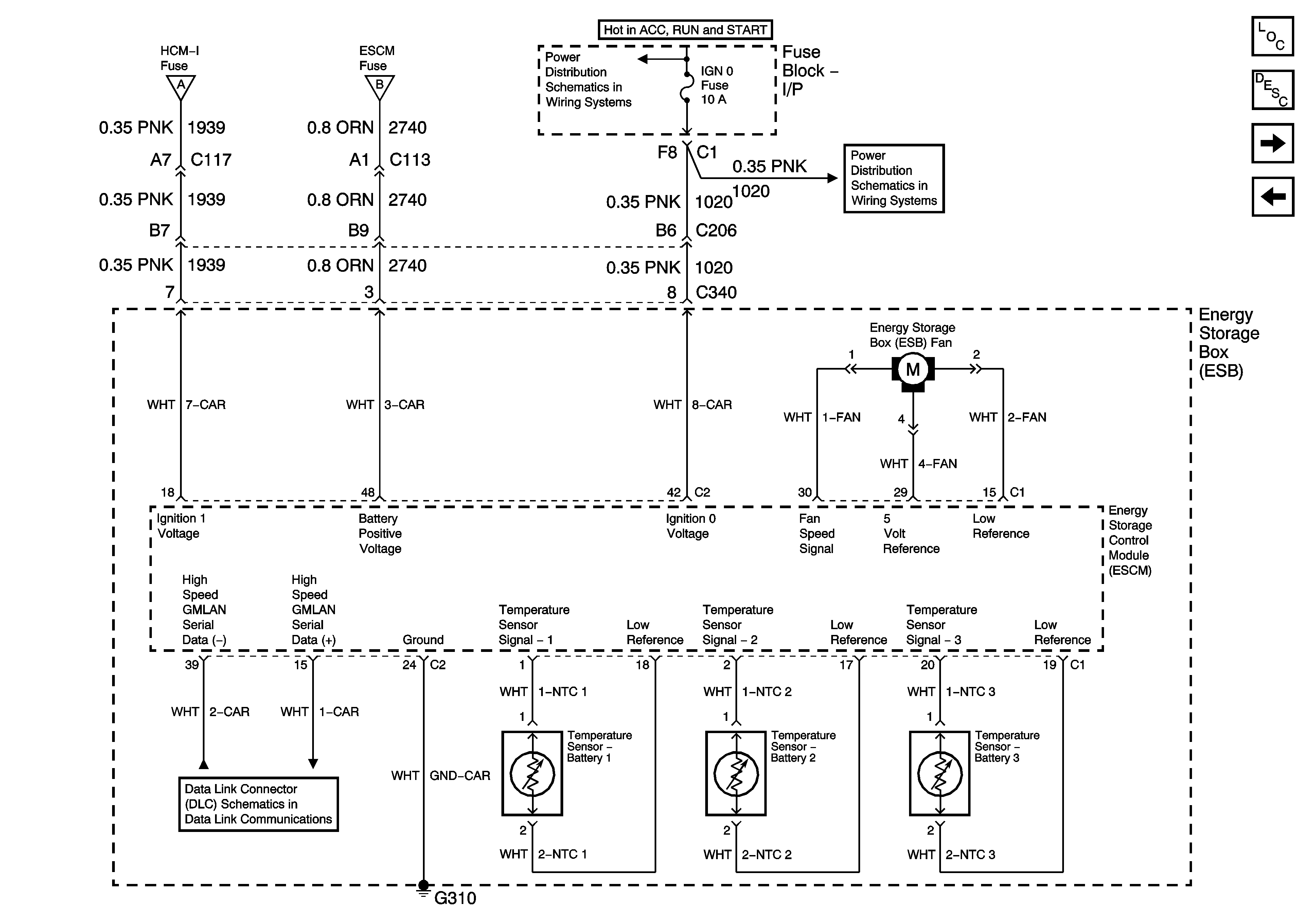
🢒 Energy Storage Control Module Power, Ground and Serial Data and Battery Temperature and Venting
Energy Storage Control Module Power, Ground and Serial Data and Battery Temperature and Venting
Energy Storage Control Module Power, Ground and Serial Data and Battery Temperature and Venting
Master Electrical Component List
Generator Battery Carrier Description and Operation
Engine Speed Signal and Accessory Battery Charging
Hybrid Control Module and Starter/Generator Control Module Power, Ground and Serial Data
Hybrid Control Module and Starter/Generator Control Module Power, Ground and Serial Data
Hybrid Control Module and Starter/Generator Control Module Power, Ground and Serial Data
IGN 0, TBC IGN 0,TBC ACCY, SEO ACCY, RR WPR, and WS WPR Fuses
IGN 0, TBC IGN 0,TBC ACCY, SEO ACCY, RR WPR, and WS WPR Fuses
High Speed GMLAN - Hybrid Only