GM Service Manual Online
For 1990-2009 cars only
Makes
🢒
Chevrolet
🢒
2005
🢒
Chevy C Silverado - 2WD
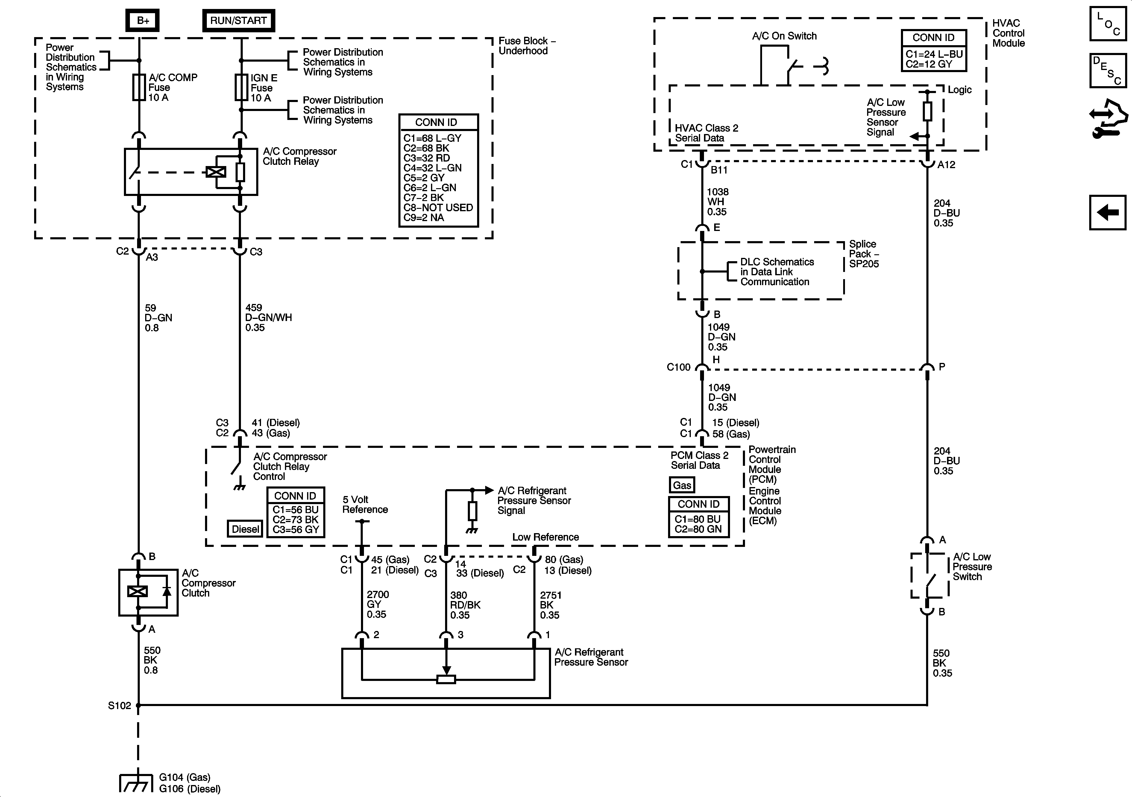
🢒 A/C Compressor Controls
A/C Compressor Controls
A/C Compressor Controls
Master Electrical Component List
Air Delivery Description and Operation
Control Module References
Air Temperature Sensors
B+ Bar Bus
Ignition Switch - ACC/RUN and RUN/START Bus Bars and IGN B Fuse
Ignition Switch - ACC/RUN and RUN/START Bus Bars and IGN B Fuse
Power, Ground, DLC and Splice Pack SP 205
G104, G106, G107 and G110