GM Service Manual Online
For 1990-2009 cars only
Makes
🢒
Chevrolet
🢒
2005
🢒
Chevy C Silverado - 2WD
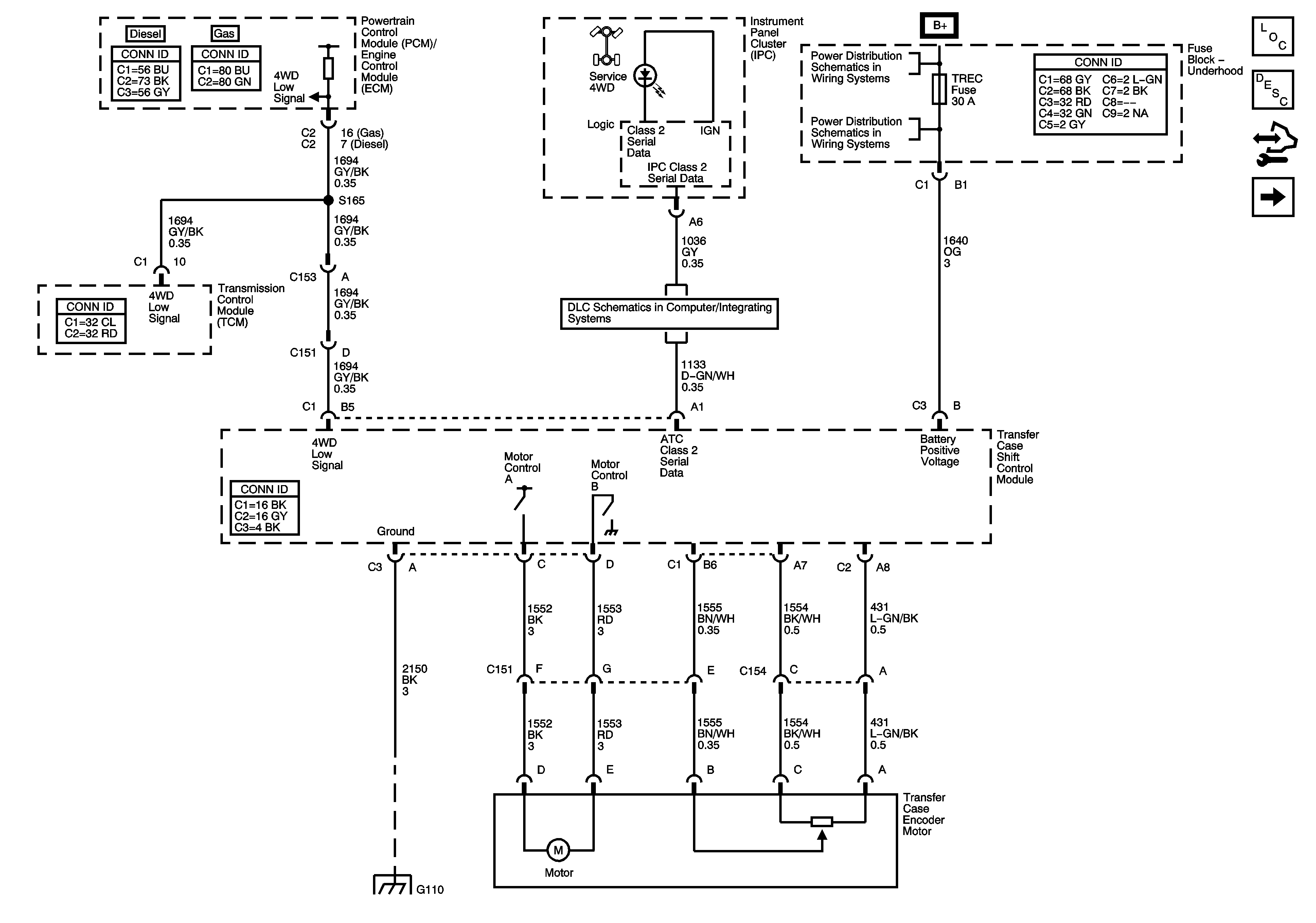
🢒 Power, Ground, Serial Data and Transfer Case Encoder Motor
Power, Ground, Serial Data and Transfer Case Encoder Motor
Power, Ground, Serial Data and Transfer Case Encoder Motor
Master Electrical Component List
Transfer Case Description and Operation
Control Module References
Front Axle Actuator and Switch Controls
B+ Bar Bus
4WS, RR WPR, STOP LP, TREC, VEH STOP and VEH CHMSL Fuses
Power, Ground, DLC and Splice Pack SP 205
G104, G106, G107 and G110