GM Service Manual Online
For 1990-2009 cars only
Makes
🢒
Chevrolet
🢒
2005
🢒
Chevy C Silverado - 2WD
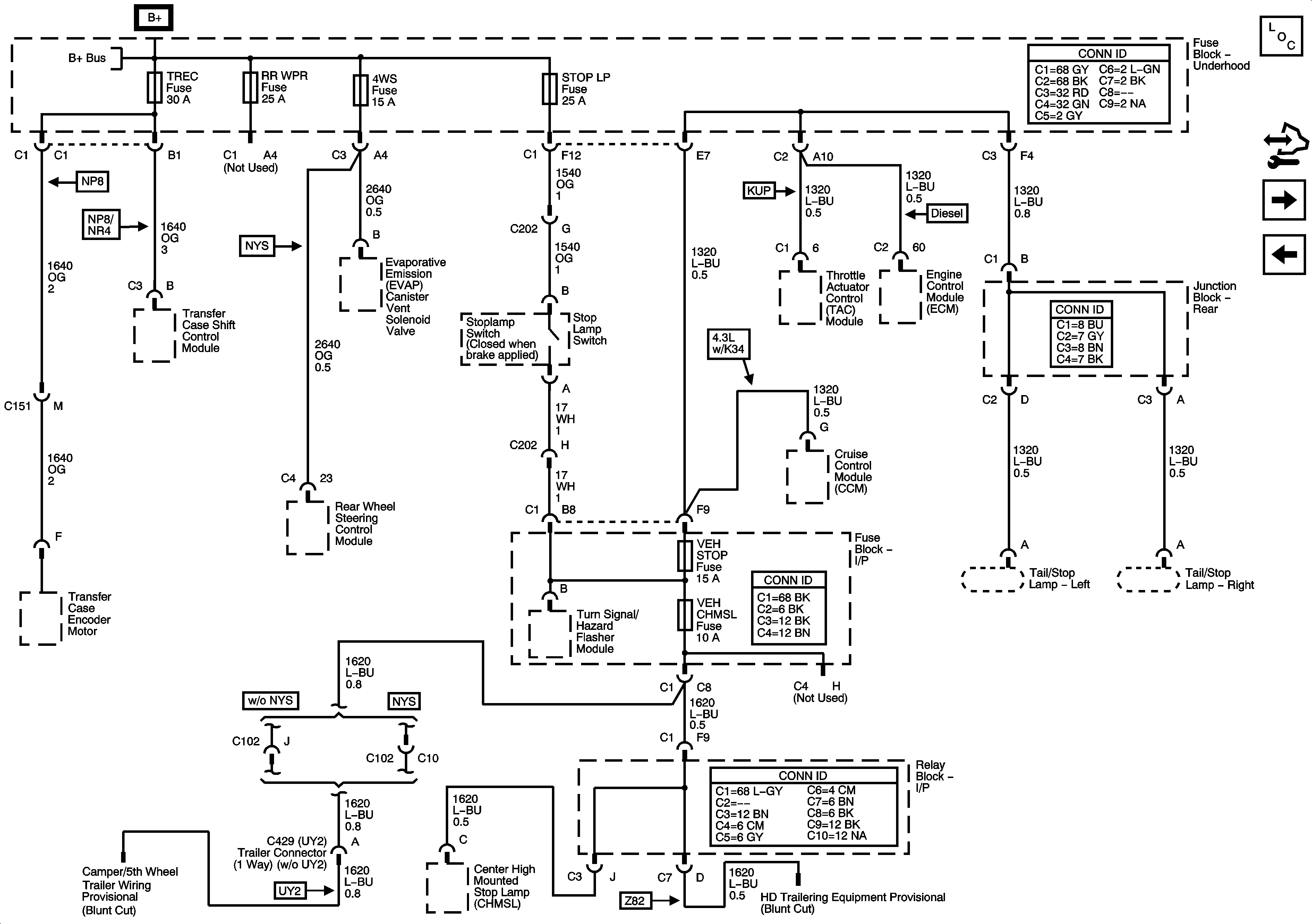
🢒 4WS, RR WPR, STOP LP, TREC, VEH STOP and VEH CHMSL Fuses
4WS, RR WPR, STOP LP, TREC, VEH STOP and VEH CHMSL Fuses
4WS, RR WPR, STOP LP, TREC, VEH STOP and VEH CHMSL Fuses
Master Electrical Component List
Control Module References
IPC/DIC, LH HID, RH HID, SEO B1, SEO B2, and TBC BATT Fuses
ABS, AUX HTR PMP, ESCM, HCM-B, MBEC 1, RTD, STUD1, STUD2, TRANS PUMP, VSES/ECAS Fuses and RT DOORS and SEAT Circuit Breakers
B+ Bar Bus