GM Service Manual Online
For 1990-2009 cars only
Makes
🢒
Chevrolet
🢒
2005
🢒
Chevy C Silverado - 2WD
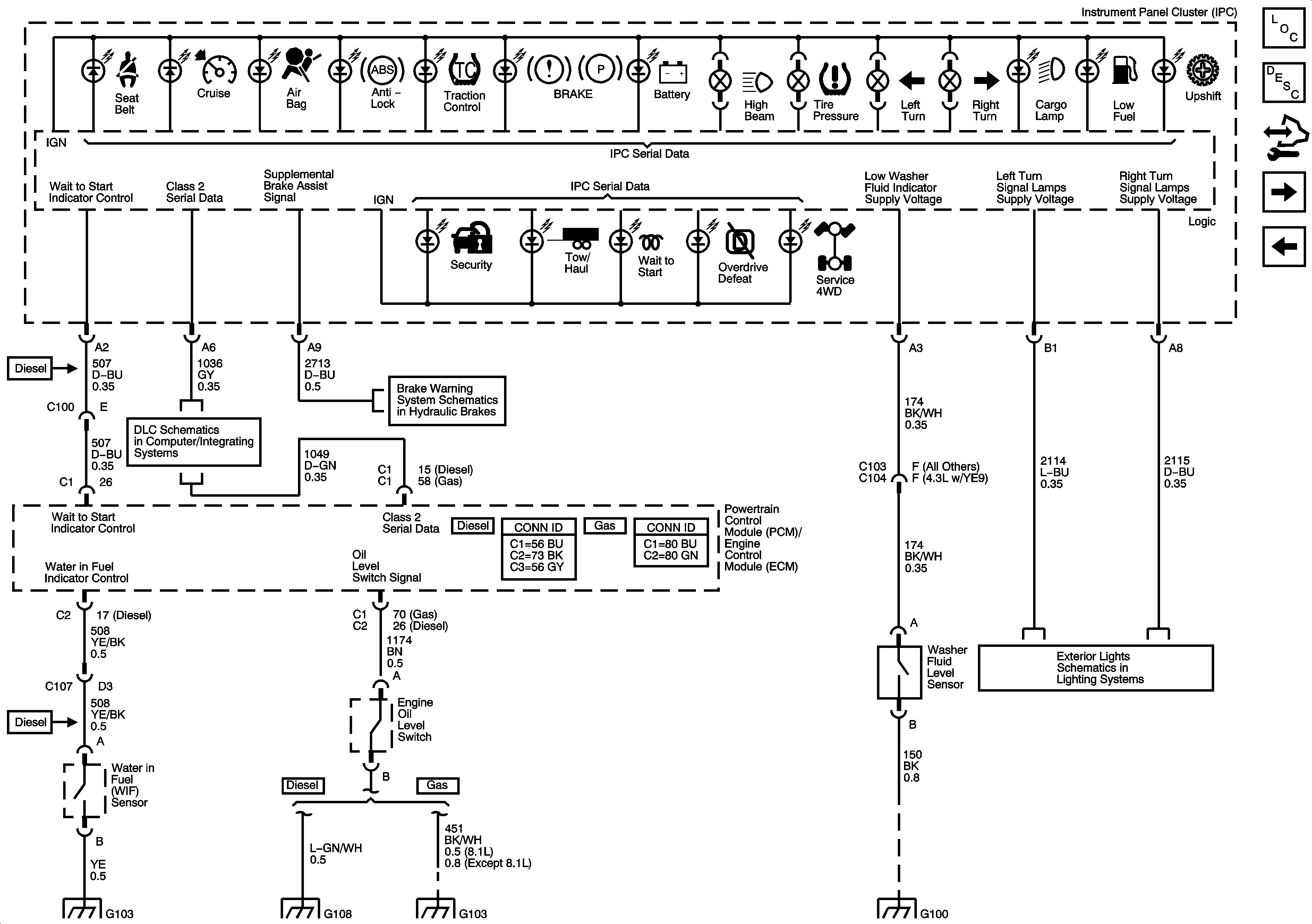
🢒 Indicators, Water in Fuel Sensor, Engine Oil Level Switch and Washer Fluid Level Sensor
Indicators, Water in Fuel Sensor, Engine Oil Level Switch and Washer Fluid Level Sensor
Indicators, Water in Fuel Sensor, Engine Oil Level Switch, and Washer Fluid Level Sensors
Master Electrical Component List
Instrument Cluster Description and Operation
Control Module References
Gages, Vehicle Speed Signal, Engine Oil Pressure, and Fuel Level Sensors
Power, Ground, Serial Data and MIL Indicator
Power, Ground, DLC and Splice Pack SP 205
Supplimental Brake Assist
Turn Signals - GMC
G102, G103, G108 and G109 - Diesel
G102, G103, G108 and G109 - Diesel
G103 - Gas
G100, G101, and G102