GM Service Manual Online
For 1990-2009 cars only
Makes
🢒
Chevrolet
🢒
2005
🢒
Chevy C Silverado - 2WD
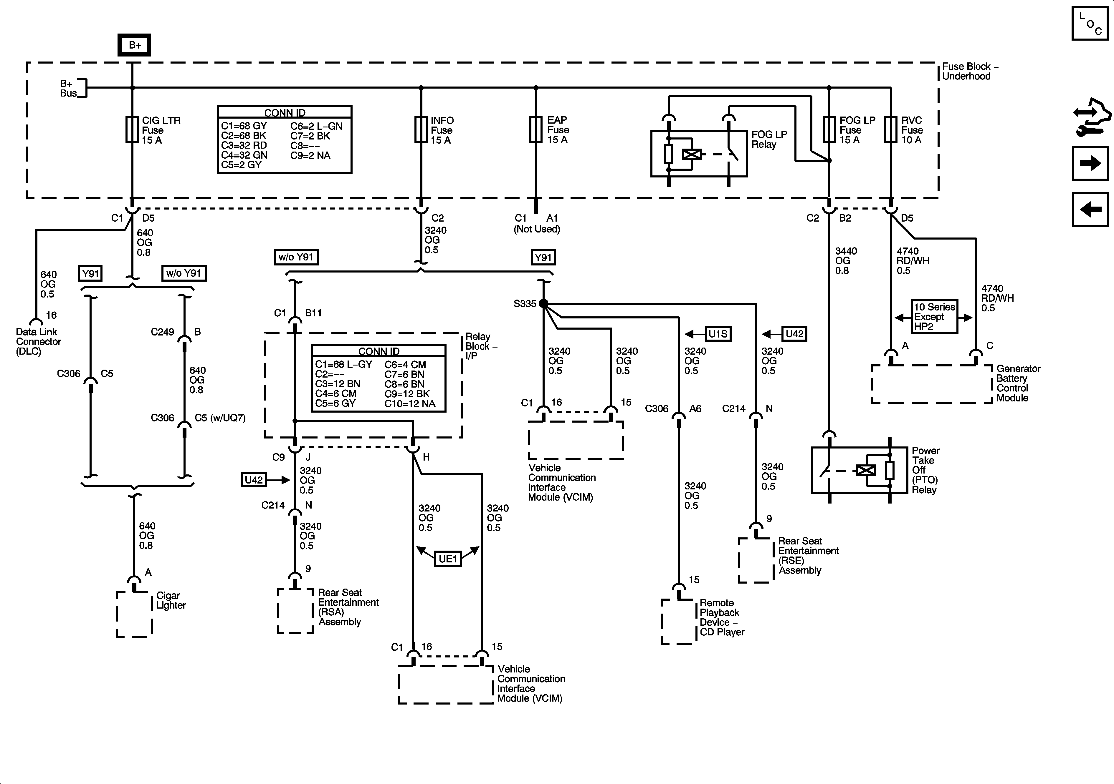
🢒 CIG LTR, EAP, INFO, and RVC Fuses
CIG LTR, EAP, INFO, and RVC Fuses
CIG LTR, EAP, INFO and RVC Fuses
Master Electrical Component List
Control Module References
RADIO, RADIOAMP, and S/ROOF Fuses
BLWR, FLASH, HVAC/ECAS, LBEC 1, RR DEFOG, RR HVAC, TBC 2A, TBC 2B, and TBC 2C Fuses and LT DOOR Circuit Breaker
B+ Bar Bus