GM Service Manual Online
For 1990-2009 cars only
Makes
🢒
Chevrolet
🢒
2005
🢒
Chevy C Silverado - 2WD
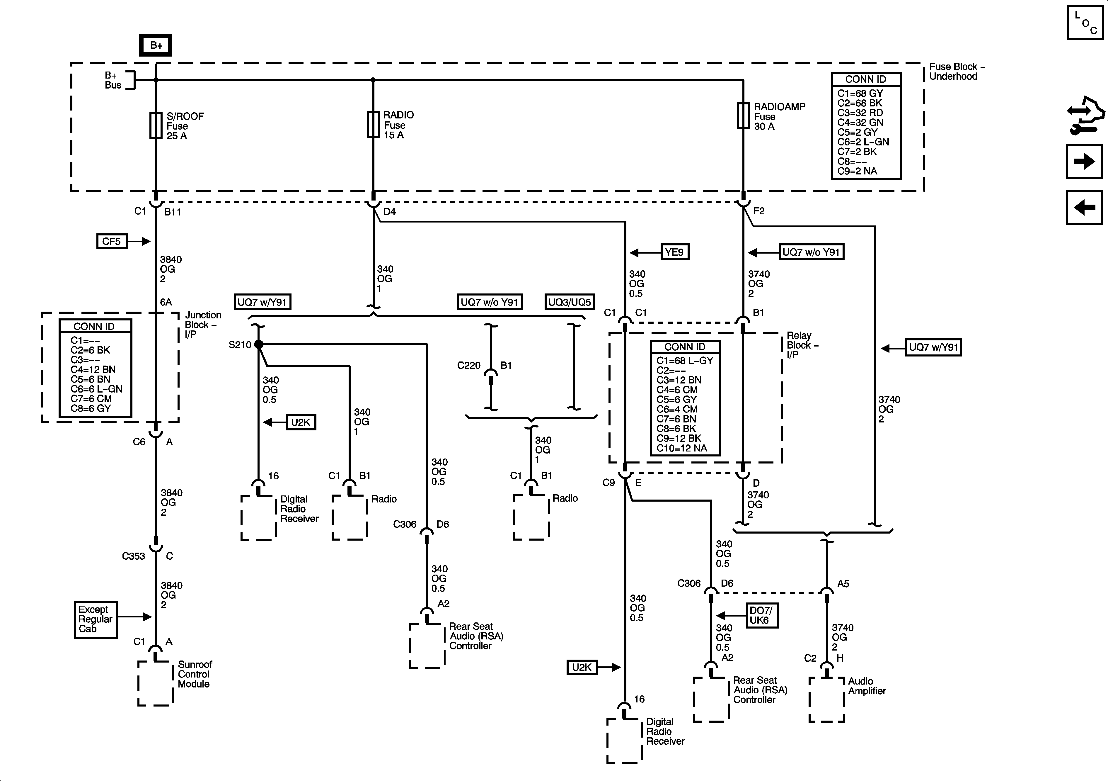
🢒 RADIO, RADIOAMP, and S/ROOF Fuses
RADIO, RADIOAMP, and S/ROOF Fuses
RADIO, RADIO AMP, and S/ROOF Fuses
Master Electrical Component List
Control Module References
AUX PWR, AUX PWR 2, DDM, ECC, LBEC 2, LOCKS, PCM B, and PDM Fuses
CIG LTR, EAP, INFO, and RVC Fuses
B+ Bar Bus