GM Service Manual Online
For 1990-2009 cars only
Makes
🢒
Chevrolet
🢒
2005
🢒
Chevy C Silverado - 2WD
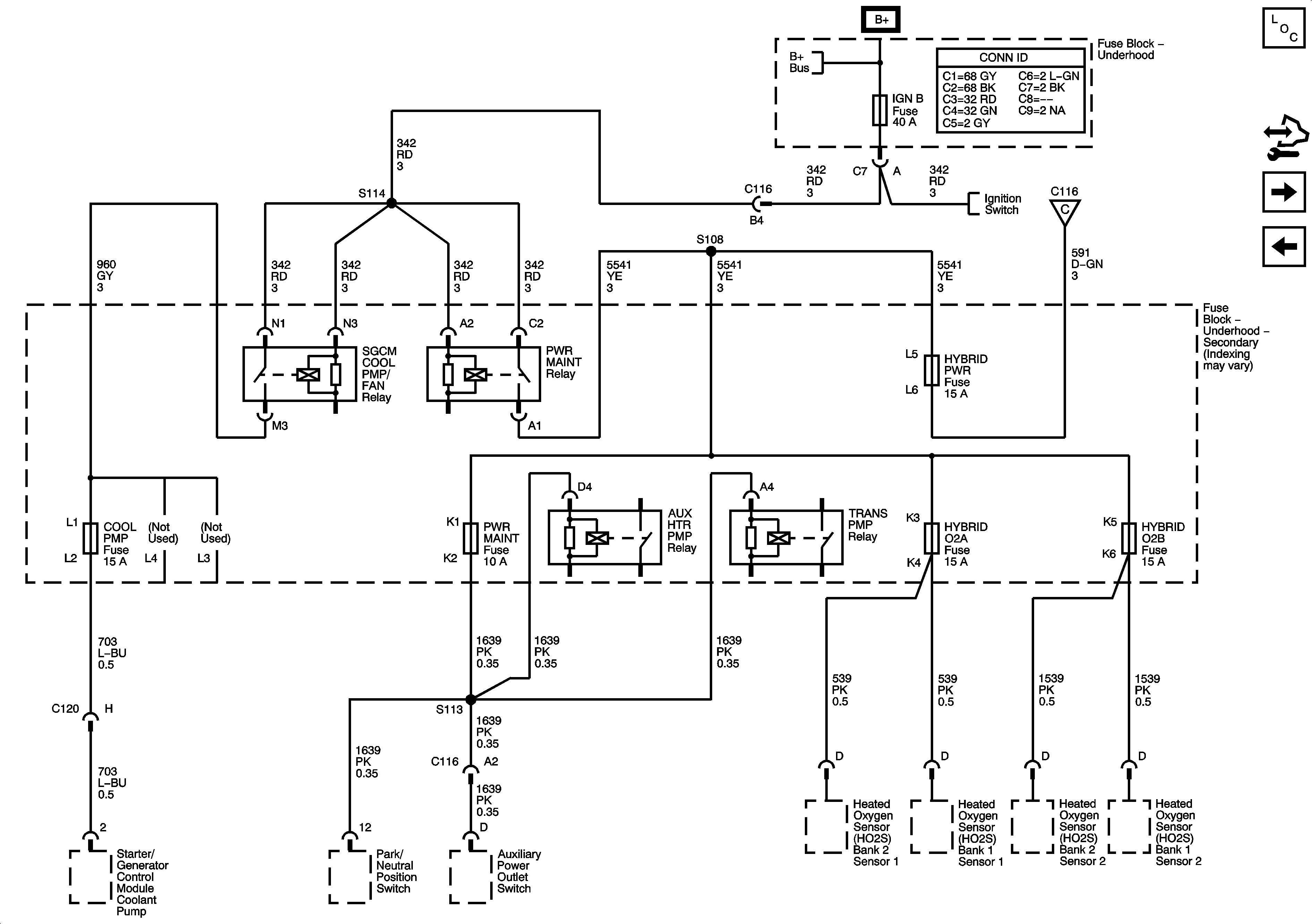
🢒 COOL PMP, HYBRID 02A, HYBRID O2B, IGN B and PWR MAINT Fuses
COOL PMP, HYBRID 02A, HYBRID O2B, IGN B and PWR MAINT Fuses
COOL PMP, HYBRID 02A, HYBRID O2B, IGN B, and PWR MAINT Fuses
Master Electrical Component List
Control Module References
LT TRLR ST/TRN, LT TRN, RT TRLR ST/TRN, and RT TRN Fuses
IGN 0, RR WPR, SEO ACCY, TBC ACCY, TBC IGN 0, and WS WPR Fuses
B+ Bar Bus
Ignition Switch - ACC/RUN and RUN/START Bus Bars and IGN B Fuse
ETC/ECM, INJ 1, INJ 2, PCM 1, and SBA Fuses - Gas